 |
Matronics Email Lists Web Forum Interface to the Matronics Email Lists
|
| View previous topic :: View next topic |
| Author |
Message |
911pete
Joined: 09 Aug 2018 Posts: 25
|
Posted: Thu Feb 19, 2026 9:57 am Post subject: Fuel System Manager |
|
|
Hi
My airplane project requires a fuel system manager, or AFC (Auto Fuel Computer). The System consists of 2 wing tanks and a center main tank. The engine feeds from the main tank only. It is a 28VDC system
The electrical components of the system are a High Pressure solenoid, 2 low pressure solenoids (1 for each wing tank), a high level sensor and a low level sensor. 2 3 position switches (Off,Manual,Auto) and a low level or "bingo" light. There is also a jet pump (non electrical) that uses high pressure fuel from the engine to "siphon" fuel from the wing tanks to the main tank.
All the solenoid valves are Normally Open and require power to close. The fuel level sensors are NO or Normally open. The planned sensors FU-ll25-03 from SMD Fluid Controls. I have attached a copy of the data sheet.
LPFS is Low Pressure Fuel Solenoid
HPFS is High Pressure Fuel Solenoid
Auto Mode Single-
When the pilot selects the “Auto” mode on either transfer switch the fuel computer reads the level inputs from the fuel level sensors. If the fuel is below the low sensor the AFC will remove power from that selected LPFS, allowing it to feed fuel into center tank. It will continue this until the high sensor tells the AFC that the center tank is filled to its location. At that point, the AFC will apply power to the selected LPFS to close it.
Auto Mode Double-
When the pilot selects “Auto” mode for both transfers, both LPFS’s are controlled as above.
Manual Mode Single-
When the pilot selects either transfer in “Manual” mode then the selected LPFS will have no power and therefore be open. The HPFS has no power any time that either LPFS has no power.
Manual Mode Double-
When the pilot selects both transfers in “Manual” mode then both LPFS’s and the HPFS will have no power and therefore will be open.
Off Mode Single-
When the pilot selects one transfer switch into the “Off” position the selected LPFS will be powered closed. No fuel will transfer from that wing.
Off Mode Double-
When the pilot selects both transfer switches into the “Off” position then both LPFS’s and the HPFS will be powered closed. This is the position for start up of the engine
Finally if there is an 20 second uninterrupted signal from the low level sensor the low level light is activated.
Originally this was operation was controlled by the use of a PLC (Programmable Logic Computer) system. I can't get anyone to provide me with it. Can a system like this be implemented using other means?
Any help would be appreciated
Pete
| | - The Matronics AeroElectric-List Email Forum - | | | Use the List Feature Navigator to browse the many List utilities available such as the Email Subscriptions page, Archive Search & Download, 7-Day Browse, Chat, FAQ, Photoshare, and much more:
http://www.matronics.com/Navigator?AeroElectric-List |
|
| Description: |
|
 Download |
| Filename: |
Ultrasonic Fluid sensor.pdf |
| Filesize: |
751.73 KB |
| Downloaded: |
40 Time(s) |
Last edited by 911pete on Fri Feb 27, 2026 5:55 am; edited 3 times in total |
|
| Back to top |
|
 |
user9253
Joined: 28 Mar 2008 Posts: 1967 Location: Riley TWP Michigan
|
Posted: Thu Feb 19, 2026 2:09 pm Post subject: Re: Fuel System Manger |
|
|
What is the make and model of this aircraft?
Is it factory made or experimental?
Is the fuel gasoline or diesel?
What fuel pressure does the engine require?
Have you considered using a manual 4 position fuel valve; left, right, both, off?
| | - The Matronics AeroElectric-List Email Forum - | | | Use the List Feature Navigator to browse the many List utilities available such as the Email Subscriptions page, Archive Search & Download, 7-Day Browse, Chat, FAQ, Photoshare, and much more:
http://www.matronics.com/Navigator?AeroElectric-List |
|
_________________ Joe Gores |
|
| Back to top |
|
 |
911pete
Joined: 09 Aug 2018 Posts: 25
|
Posted: Thu Feb 19, 2026 2:18 pm Post subject: Re: Fuel System Manger |
|
|
The airplane is a Viperjet, experimental. The fuel is Jet-A. There is a boost pump after the main tank to supply the fuel control and isn’t part of this system. This system is just to move fuel from the wings to the main tank. A manual fuel valve wouldn’t work in this application
Pete
| | - The Matronics AeroElectric-List Email Forum - | | | Use the List Feature Navigator to browse the many List utilities available such as the Email Subscriptions page, Archive Search & Download, 7-Day Browse, Chat, FAQ, Photoshare, and much more:
http://www.matronics.com/Navigator?AeroElectric-List |
|
|
|
| Back to top |
|
 |
user9253
Joined: 28 Mar 2008 Posts: 1967 Location: Riley TWP Michigan
|
|
| Back to top |
|
 |
user9253
Joined: 28 Mar 2008 Posts: 1967 Location: Riley TWP Michigan
|
Posted: Fri Feb 20, 2026 9:42 am Post subject: Re: Fuel System Manager |
|
|
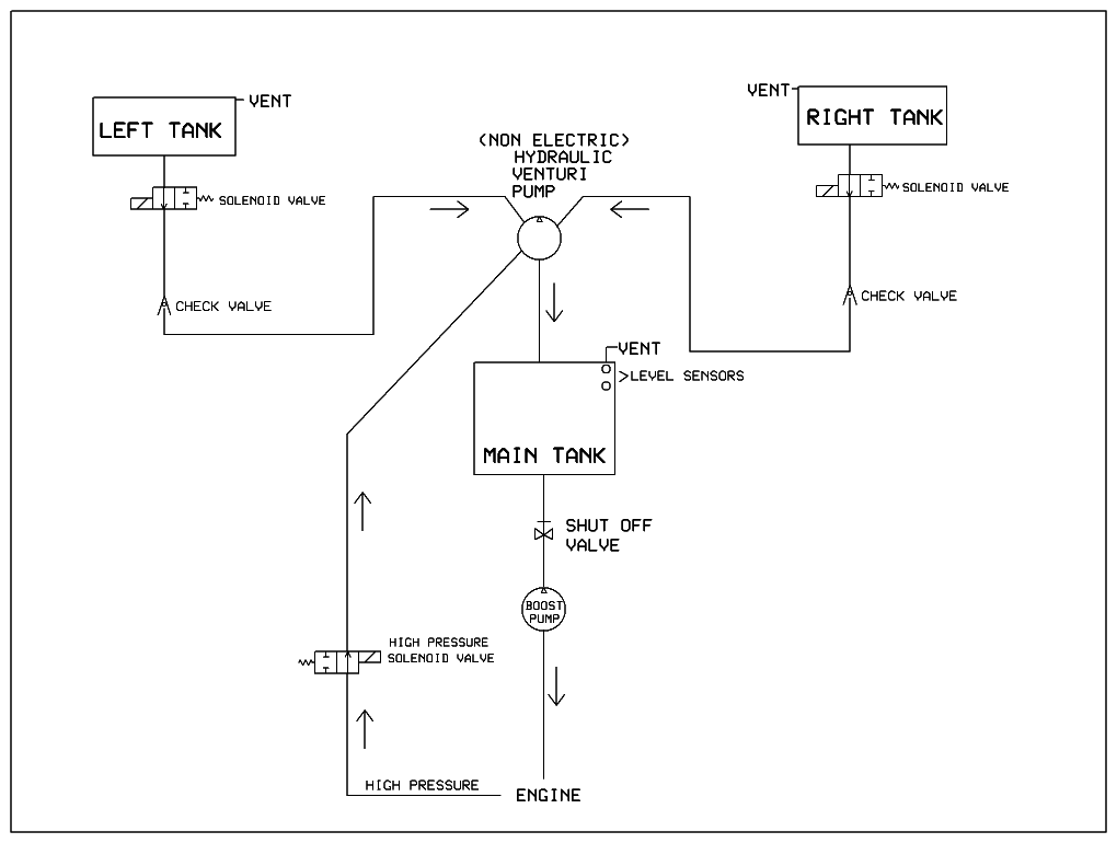
Pete, I made a diagram of the Viper Jet fuel system based on my interpretation
of your description. It is unlikely that I got it right. Please make corrections.
Understanding how the system is supposed to work is the first step in designing
the electrical fuel controls.
I used a very simple CAD program called Express.sch
| | - The Matronics AeroElectric-List Email Forum - | | | Use the List Feature Navigator to browse the many List utilities available such as the Email Subscriptions page, Archive Search & Download, 7-Day Browse, Chat, FAQ, Photoshare, and much more:
http://www.matronics.com/Navigator?AeroElectric-List |
|
| Description: |
|
| Filesize: |
10.28 KB |
| Viewed: |
1573 Time(s) |

|
_________________ Joe Gores
Last edited by user9253 on Sat Feb 21, 2026 11:21 am; edited 4 times in total |
|
| Back to top |
|
 |
911pete
Joined: 09 Aug 2018 Posts: 25
|
Posted: Fri Feb 20, 2026 9:46 am Post subject: Re: Fuel System Manager |
|
|
Ok, but I don’t see a diagram
| | - The Matronics AeroElectric-List Email Forum - | | | Use the List Feature Navigator to browse the many List utilities available such as the Email Subscriptions page, Archive Search & Download, 7-Day Browse, Chat, FAQ, Photoshare, and much more:
http://www.matronics.com/Navigator?AeroElectric-List |
|
|
|
| Back to top |
|
 |
911pete
Joined: 09 Aug 2018 Posts: 25
|
Posted: Fri Feb 20, 2026 10:07 am Post subject: Re: Fuel System Manager |
|
|
Now I see it
Pretty close. The main tank is vented. The fuel lines from the wing tanks go to the pump. The pump is not electrical, it is a jet pump that uses high pressure fuel from the engine to create low pressure to draw fuel from the wings to the main tank. In your diagram the fuel would flow from the wings through the pump to the main tank. Fuel also flows from the engine in your diagram through the solenoid (when open) and pump to the tank. The fuel supply to the engine isn’t depicted and doesn’t need to be. There are also one way check valves between the wing tank solenoids and the pump so fuel can only come out of the wing tanks. The main tank has a high and low level sensor to signal when the valves should open or close. The goal is to always keep the main tank full until the wings are empty
Pete
| | - The Matronics AeroElectric-List Email Forum - | | | Use the List Feature Navigator to browse the many List utilities available such as the Email Subscriptions page, Archive Search & Download, 7-Day Browse, Chat, FAQ, Photoshare, and much more:
http://www.matronics.com/Navigator?AeroElectric-List |
|
|
|
| Back to top |
|
 |
Eric Page
Joined: 15 Feb 2017 Posts: 273
|
Posted: Fri Feb 20, 2026 11:10 am Post subject: Re: Fuel System Manager |
|
|
A few more questions:
1. With a vented main tank, can we assume that even in MANUAL mode, the Main Tank High Level sensor should close the LPFSs to prevent main tank over-filling and fuel loss via the vent? Or, is the main tank vented to one or both wing tanks?
2. Is there: a) one jet pump, powered by the high pressure return line from the engine-driven pump and supplied by the two low pressure lines from the wing tanks, -or- b) two jet pumps, one in each wing tank, sharing the high pressure return?
3. If 2.a. is true, can the pump favor one wing tank over the other due to minor differences in head pressure? If this happens, causing one wing tank to empty first and its fuel feed line to unport, will the jet pump suck air instead of fuel, making the fuel remaining in the other wing tank unusable?
| | - The Matronics AeroElectric-List Email Forum - | | | Use the List Feature Navigator to browse the many List utilities available such as the Email Subscriptions page, Archive Search & Download, 7-Day Browse, Chat, FAQ, Photoshare, and much more:
http://www.matronics.com/Navigator?AeroElectric-List |
|
|
|
| Back to top |
|
 |
911pete
Joined: 09 Aug 2018 Posts: 25
|
Posted: Fri Feb 20, 2026 11:52 am Post subject: Re: Fuel System Manager |
|
|
1. Yes I would want the high level sensor to close the LPFS to prevent overfilling. The tank is vented to atmosphere via a vent line exiting the bottom of the fuselage.
2. There is only want jet pump mounted in the cockpit with both wings feeding into it
3. The possibility exists for the tanks to feed unevenly. It is my understanding that if one tank is dry it would still feed from the other tank. If not then that tanks transfer switch could be placed in off with the other side in Manual or Auto which should close the LPFS for the empty tank.
In the event of electrical failure all solenoids open since they are NO which would over fill the main tank to the point of venting but allow the main tank to remain full until all wing fuel is gone giving you time to land before fuel exhaustion
| | - The Matronics AeroElectric-List Email Forum - | | | Use the List Feature Navigator to browse the many List utilities available such as the Email Subscriptions page, Archive Search & Download, 7-Day Browse, Chat, FAQ, Photoshare, and much more:
http://www.matronics.com/Navigator?AeroElectric-List |
|
|
|
| Back to top |
|
 |
Eric Page
Joined: 15 Feb 2017 Posts: 273
|
Posted: Fri Feb 20, 2026 12:57 pm Post subject: Re: Fuel System Manager |
|
|
OK, great.
Regarding the switches, I'm assuming they're SPDT toggles; if not, what are they? Can you describe how they're wired? Are all three terminals connected to the PLC, or is the common (middle) terminal connected to 28V or to ground? Exactly which mode corresponds to each toggle position?
Maybe the wiring isn't done yet... Is this a finished aircraft that's grounded due to fuel controller failure, or an in-progress build project?
| | - The Matronics AeroElectric-List Email Forum - | | | Use the List Feature Navigator to browse the many List utilities available such as the Email Subscriptions page, Archive Search & Download, 7-Day Browse, Chat, FAQ, Photoshare, and much more:
http://www.matronics.com/Navigator?AeroElectric-List |
|
|
|
| Back to top |
|
 |
911pete
Joined: 09 Aug 2018 Posts: 25
|
Posted: Fri Feb 20, 2026 1:19 pm Post subject: Re: Fuel System Manager |
|
|
Your second thought is correct. This is a plane under construction. Viperjet ceased operations and I never got their fuel computer so no wiring is done, but I’m at that stage now.
I have all the parts except the “brain” to control them.
Joe asked me to draw a fuel system schematic and he will make it pretty and post it.
The switches are Honeywell 2TL1-10 and not wired up at all. Should I post the info on them? As envisioned by Viperjet down is off middle is manual and up is auto.
Pete
| | - The Matronics AeroElectric-List Email Forum - | | | Use the List Feature Navigator to browse the many List utilities available such as the Email Subscriptions page, Archive Search & Download, 7-Day Browse, Chat, FAQ, Photoshare, and much more:
http://www.matronics.com/Navigator?AeroElectric-List |
|
|
|
| Back to top |
|
 |
user9253
Joined: 28 Mar 2008 Posts: 1967 Location: Riley TWP Michigan
|
|
| Back to top |
|
 |
911pete
Joined: 09 Aug 2018 Posts: 25
|
Posted: Fri Feb 20, 2026 6:57 pm Post subject: Re: Fuel System Manager |
|
|
Yes it is much prettier than my hand sketch and accurate. Only comment is it’s a fuel circuit, not hydraulic. When/if this is done I need something similar to control the hydraulics, so this is like some foreshadowing
Pete
| | - The Matronics AeroElectric-List Email Forum - | | | Use the List Feature Navigator to browse the many List utilities available such as the Email Subscriptions page, Archive Search & Download, 7-Day Browse, Chat, FAQ, Photoshare, and much more:
http://www.matronics.com/Navigator?AeroElectric-List |
|
|
|
| Back to top |
|
 |
user9253
Joined: 28 Mar 2008 Posts: 1967 Location: Riley TWP Michigan
|
Posted: Fri Feb 20, 2026 7:28 pm Post subject: Re: Fuel System Manager |
|
|
Pete,
Do the wing tanks have level sensors as part of the automatic fuel transfer system?
Do each of the fuel tanks have level sensors that are not part of the automatic transfer system
but connect to gauges in the cockpit for the pilot to look at.
| | - The Matronics AeroElectric-List Email Forum - | | | Use the List Feature Navigator to browse the many List utilities available such as the Email Subscriptions page, Archive Search & Download, 7-Day Browse, Chat, FAQ, Photoshare, and much more:
http://www.matronics.com/Navigator?AeroElectric-List |
|
_________________ Joe Gores |
|
| Back to top |
|
 |
Eric Page
Joined: 15 Feb 2017 Posts: 273
|
Posted: Fri Feb 20, 2026 7:32 pm Post subject: Re: Fuel System Manager |
|
|
Joe, that looks like what I had in my head after this discussion.
For those following along, the Honeywell 2TL1-10 (MS27407-4) is a DPDT ON-ON-ON switch. See the attached screen-grab from the datasheet for its functional drawing.
Pete, do you have a diagram that shows how this system was supposed to be wired? It would be helpful to see how the switches would have interacted with the PLC and the solenoids, and where 28V and ground enter the circuit.
| | - The Matronics AeroElectric-List Email Forum - | | | Use the List Feature Navigator to browse the many List utilities available such as the Email Subscriptions page, Archive Search & Download, 7-Day Browse, Chat, FAQ, Photoshare, and much more:
http://www.matronics.com/Navigator?AeroElectric-List |
|
| Description: |
|
| Filesize: |
37.45 KB |
| Viewed: |
1824 Time(s) |

|
|
|
| Back to top |
|
 |
911pete
Joined: 09 Aug 2018 Posts: 25
|
Posted: Fri Feb 20, 2026 7:32 pm Post subject: Re: Fuel System Manager |
|
|
Each tank has a Princeton capacitive sensor to display fuel qty in the cockpit. This is separate from the fuel transfer system
| | - The Matronics AeroElectric-List Email Forum - | | | Use the List Feature Navigator to browse the many List utilities available such as the Email Subscriptions page, Archive Search & Download, 7-Day Browse, Chat, FAQ, Photoshare, and much more:
http://www.matronics.com/Navigator?AeroElectric-List |
|
|
|
| Back to top |
|
 |
911pete
Joined: 09 Aug 2018 Posts: 25
|
Posted: Fri Feb 20, 2026 8:38 pm Post subject: Re: Fuel System Manager |
|
|
I have a parts list to build the Fuel Computer, and a pinout list for the computer. No programming information.
The pinout list that shows where the wires go is somewhat cryptic. Each acronym is for a wiring harness, for example LFPT#2 is left fuel pass through #2. I have all the information for each wiring harness so I could trace it if necessary. Ignore anything with Tip in it. That is for optional tip tanks which I don't have, and if I add them there is a simple 28V fuel pump controlled by a switch that just dumps the fuel into each respective wing tank. Totally manual and doesn't need to go through the fuel computer
This PLC setup is almost 20 years old. If there is another way to accomplish this via relays/circuitry or something like an arduino (which I have no experience with) I'm OK with it. Whatever is easiest
Pete
| | - The Matronics AeroElectric-List Email Forum - | | | Use the List Feature Navigator to browse the many List utilities available such as the Email Subscriptions page, Archive Search & Download, 7-Day Browse, Chat, FAQ, Photoshare, and much more:
http://www.matronics.com/Navigator?AeroElectric-List |
|
| Description: |
|
 Download |
| Filename: |
AFC Price list.pdf |
| Filesize: |
39.35 KB |
| Downloaded: |
33 Time(s) |
| Description: |
|
 Download |
| Filename: |
AFC.pdf |
| Filesize: |
42.4 KB |
| Downloaded: |
32 Time(s) |
|
|
| Back to top |
|
 |
911pete
Joined: 09 Aug 2018 Posts: 25
|
Posted: Fri Feb 20, 2026 8:50 pm Post subject: Re: Fuel System Manager |
|
|
OK I found another sheet that shows the switches. I might have the wrong ones. This sheet shows 2TL1-1 used as the transfer switch. I have attached a copy that shows that and what is hooked up to the various poles
| | - The Matronics AeroElectric-List Email Forum - | | | Use the List Feature Navigator to browse the many List utilities available such as the Email Subscriptions page, Archive Search & Download, 7-Day Browse, Chat, FAQ, Photoshare, and much more:
http://www.matronics.com/Navigator?AeroElectric-List |
|
| Description: |
|
 Download |
| Filename: |
Switches.pdf |
| Filesize: |
134.52 KB |
| Downloaded: |
34 Time(s) |
|
|
| Back to top |
|
 |
Eric Page
Joined: 15 Feb 2017 Posts: 273
|
Posted: Fri Feb 20, 2026 11:06 pm Post subject: Re: Fuel System Manager |
|
|
OK, the 2TL1-1 is a standard DPDT ON-OFF-ON switch.
-----
You're not kidding about the wiring harness documents being cryptic! They'll take some effort to figure out.
-----
It looks like the E10+ PLC is still sold by Triangle Research:
https://triplc.com/e10npn.htm
Also available from Latin-Tech:
https://tinyurl.com/22hhj7zu+
There are links near the bottom of the page to download free programming software, a help document and a command reference manual.
That said, learning ladder logic programming just for this project is probably a steep hill to climb, so even with the PLC available it might not be the best solution. Let's think on this a bit more...
| | - The Matronics AeroElectric-List Email Forum - | | | Use the List Feature Navigator to browse the many List utilities available such as the Email Subscriptions page, Archive Search & Download, 7-Day Browse, Chat, FAQ, Photoshare, and much more:
http://www.matronics.com/Navigator?AeroElectric-List |
|
|
|
| Back to top |
|
 |
911pete
Joined: 09 Aug 2018 Posts: 25
|
Posted: Sat Feb 21, 2026 5:48 am Post subject: Re: Fuel System Manager |
|
|
Food for further thought is that I will need another “controller” to manage the hydraulic system. It also used a PLC.
| | - The Matronics AeroElectric-List Email Forum - | | | Use the List Feature Navigator to browse the many List utilities available such as the Email Subscriptions page, Archive Search & Download, 7-Day Browse, Chat, FAQ, Photoshare, and much more:
http://www.matronics.com/Navigator?AeroElectric-List |
|
|
|
| Back to top |
|
 |
|
|
You cannot post new topics in this forum You cannot reply to topics in this forum You cannot edit your posts in this forum You cannot delete your posts in this forum You cannot vote in polls in this forum You cannot attach files in this forum You can download files in this forum
|
Powered by phpBB © 2001, 2005 phpBB Group
|