 |
Matronics Email Lists Web Forum Interface to the Matronics Email Lists
|
| View previous topic :: View next topic |
| Author |
Message |
johnd(at)data-tech.com Guest
|
Posted: Fri Mar 07, 2008 11:17 am Post subject: Fuel System Questions |
|
|
Hi All,
I'm getting ready to order the 3003 aluminum tube for my fuel system in
the fuselage and have a question. I'm planning to leave the 1/4" ID
zenith supplied fuel line in the wings and then have an adapter at the
wing root to the aluminum tubing in the fuse.
I was planning to order 1/4" tubing but it seems like several folks
have gone with the 3/8" tubing. Why go with the 3/8" instead of the 1/4"
? Is it the thicker wall size of the tubing ?
If I go with the 3/8" al tubing then what have folks done for the
connection to the rubber tubing as I can only find AN807 fittings that
go from 1/4" hose to -4 or 3/8" hose to -6 size fittings it seems like I
would need the -6 fittings but with a 1/4" ID hose fitting and I don't
see those listed at aircraft spruce or wicks ?
Thanks,
John Davis
Burnsville, NC
601XL - Jab 3300
| | - The Matronics Zenith-List Email Forum - | | | Use the List Feature Navigator to browse the many List utilities available such as the Email Subscriptions page, Archive Search & Download, 7-Day Browse, Chat, FAQ, Photoshare, and much more:
http://www.matronics.com/Navigator?Zenith-List |
|
|
|
| Back to top |
|
 |
dougsnash(at)yahoo.com Guest
|
Posted: Fri Mar 07, 2008 12:11 pm Post subject: Fuel System Questions |
|
|
John, I am kind of in a similar spot as you. I am
going to go with the 3/8 line right from the tanks to
the front of the firewall. At this point I need to
switch over to 1/4 hose to go to the Piersburg pump on
my 80 hp Rotax.
So far all I have been able to come up with is a
double male flared fitting to adapt hard pipe down
from 3/8 to 1/4. I might have to use a small section
of hard pipe on the front side of the firewall and
then switch over to flex line. This is not ideal.
Anyone have any better suggestions?
Doug MacDonald
CH-701 Scratch Builder
NW Ontario, Canada
Skinning Wings
Do Not Archive
--- John Davis <johnd(at)data-tech.com> wrote:
| Quote: |
<johnd(at)data-tech.com>
Hi All,
I'm getting ready to order the 3003 aluminum tube
for my fuel system in
the fuselage and have a question. I'm planning to
leave the 1/4" ID
zenith supplied fuel line in the wings and then have
an adapter at the
wing root to the aluminum tubing in the fuse.
I was planning to order 1/4" tubing but it seems
like several folks
have gone with the 3/8" tubing. Why go with the 3/8"
instead of the 1/4"
? Is it the thicker wall size of the tubing ?
If I go with the 3/8" al tubing then what have folks
done for the
connection to the rubber tubing as I can only find
AN807 fittings that
go from 1/4" hose to -4 or 3/8" hose to -6 size
fittings it seems like I
would need the -6 fittings but with a 1/4" ID hose
fitting and I don't
see those listed at aircraft spruce or wicks ?
Thanks,
John Davis
Burnsville, NC
601XL - Jab 3300
|
Be a better friend, newshound, and
know-it-all with Yahoo! Mobile. Try it now. http://mobile.yahoo.com/;_ylt=Ahu06i62sR8HDtDypao8Wcj9tAcJ
| | - The Matronics Zenith-List Email Forum - | | | Use the List Feature Navigator to browse the many List utilities available such as the Email Subscriptions page, Archive Search & Download, 7-Day Browse, Chat, FAQ, Photoshare, and much more:
http://www.matronics.com/Navigator?Zenith-List |
|
|
|
| Back to top |
|
 |
johnd(at)data-tech.com Guest
|
Posted: Fri Mar 07, 2008 12:27 pm Post subject: Fuel System Questions |
|
|
Hi Doug,
So why are you going with 3/8" from the tanks instead of 1/4" ?
Thanks,
John
MacDonald Doug wrote: [quote] | Quote: | --> Zenith-List message posted by: MacDonald Doug <dougsnash(at)yahoo.com> (dougsnash(at)yahoo.com)
John, I am kind of in a similar spot as you. I am
going to go with the 3/8 line right from the tanks to
the front of the firewall. At this point I need to
switch over to 1/4 hose to go to the Piersburg pump on
my 80 hp Rotax.
So far all I have been able to come up with is a
double male flared fitting to adapt hard pipe down
from 3/8 to 1/4. I might have to use a small section
of hard pipe on the front side of the firewall and
then switch over to flex line. This is not ideal.
Anyone have any better suggestions?
Doug MacDonald
CH-701 Scratch Builder
NW Ontario, Canada
Skinning Wings
Do Not Archive
--- John Davis <johnd(at)data-tech.com> (johnd(at)data-tech.com) wrote:
| Quote: | --> Zenith-List message posted by: John Davis
<johnd(at)data-tech.com> (johnd(at)data-tech.com)
Hi All,
I'm getting ready to order the 3003 aluminum tube
for my fuel system in
the fuselage and have a question. I'm planning to
leave the 1/4" ID
zenith supplied fuel line in the wings and then have
an adapter at the
wing root to the aluminum tubing in the fuse.
I was planning to order 1/4" tubing but it seems
like several folks
have gone with the 3/8" tubing. Why go with the 3/8"
instead of the 1/4"
? Is it the thicker wall size of the tubing ?
If I go with the 3/8" al tubing then what have folks
done for the
connection to the rubber tubing as I can only find
AN807 fittings that
go from 1/4" hose to -4 or 3/8" hose to -6 size
fittings it seems like I
would need the -6 fittings but with a 1/4" ID hose
fitting and I don't
see those listed at aircraft spruce or wicks ?
Thanks,
John Davis
Burnsville, NC
601XL - Jab 3300
|
Be a better friend, newshound, and
know-it-all with Yahoo! Mobile. Try it now. http://mobile.yahoo.com/;_ylt=Ahu06i62sR8HDtDypao8Wcj9tAcJ
| [b]
| | - The Matronics Zenith-List Email Forum - | | | Use the List Feature Navigator to browse the many List utilities available such as the Email Subscriptions page, Archive Search & Download, 7-Day Browse, Chat, FAQ, Photoshare, and much more:
http://www.matronics.com/Navigator?Zenith-List |
|
|
|
| Back to top |
|
 |
Terry Phillips

Joined: 11 Jan 2006 Posts: 346 Location: Corvallis, MT
|
Posted: Fri Mar 07, 2008 3:04 pm Post subject: Fuel System Questions |
|
|
Doug and John
I have been worrying this same item for the past couple of weeks.
I decided that I liked Joe Motis' suggestion (on ch601.org) of putting the electric boost pump(s) in the wing(s), so I started working on that. The nose ribs are different in my wing than in Joe's, so I had to redo the pump channel. I had a few false starts before I came to a satisfactory solution. Then I had to ponder the fuel lines. I wanted to use aluminum from the pump to the firewall, but I couldn't see an efficient way to disconnect the fuel line at the wing root in the event I needed to remove a wing. I considered a rubber hose for the segment from the pump to the wing root. But I have decided, instead, to make a ~2"x3" cutout in the fuselage wall with a cover plate attached by screws and nut plates. Then, I'll put an AN833-6D 3/8" tube x tube bulkhead ell through the cover plate. That way, I can break the fuel line inside the fuselage and, by removing the screws to the nutplates from the fuselage side, I can disconnect the fuel line and the wing from the fuselage.
I was discussing this all with Clayton, my EAA technical counselor, and he suggested that I also put the gascolator inside the wing. That is apparently what he did with at least one of his RVs. I liked the idea. I have never liked Zenith's design of the gascolator sticking out the bottom of the fuselage. Back to the drawing board. There were significant problems in designing a system that was maintainable. I've gone through my design process in fair detail on my Kitlog Pro website (see URL below). Check out the entries for the past week or two that relate to the fuel system.
Meanwhile, back to the tube diameter question. Bingelis' in Firewall Forward, p. 146, says, "Fuel lines -- 3/8-inch x 0.035-inch for aircraft engines (normally)." That was good enough for me. Also, my tech counselor asked me the horsepower of my engine. I said 120 Hp. He said 3/8" aluminum. I didn't ask why, since that was what I had already planned on--based on Bingelis' book. Did I mention that, in addition to being a pilot and RV builder, Clayton is an A&P, retired after a long career with the MT National Guard.
When you get to the firewall all you need is a 3/8" tube x 1/4" or 1/8" NPT bulkhead ell. Then screw a 1/4" or 1/8" NPT x hose adapter into that and attach the hose and fire barrier.
Clayton was also worried about how I would implement the tank select valve and pump power switch. My thought is, first of all, to have a pump and gascolator in each wing. Then I plan to put a single pole-double throw-center off switch immediately above the valve handle. So, valve left, left tank. Switch left, left boost pump. And vice versa. And center for all off.
I just ordered all the fittings, etc., from Wicks, with the exception of the extra gascolator. I'll get that from Zenith.
All this plumbing is not cheap. Think 200 or 300 bucks. Is the peace of mind worth the bucks and the extra 2 lbs of fuel system hardware? That's obviously an individual decision. I suspect most 601 builders would judge me crazy. But at least my tech counselor liked my direction. And, if it all works OK, I'll be happy.
Terry
At 12:09 PM 3/7/2008 -0800, you wrote:
| Quote: | --> Zenith-List message posted by: MacDonald Doug <dougsnash(at)yahoo.com>
John, I am kind of in a similar spot as you. I am
going to go with the 3/8 line right from the tanks to
the front of the firewall. At this point I need to
switch over to 1/4 hose to go to the Piersburg pump on
my 80 hp Rotax.
So far all I have been able to come up with is a
double male flared fitting to adapt hard pipe down
from 3/8 to 1/4. I might have to use a small section
of hard pipe on the front side of the firewall and
then switch over to flex line. This is not ideal.
Anyone have any better suggestions?
Doug MacDonald
CH-701 Scratch Builder
NW Ontario, Canada
Skinning Wings
Do Not Archive
--- John Davis <johnd(at)data-tech.com> wrote:
> --> Zenith-List message posted by: John Davis
> <johnd(at)data-tech.com>
>
> Hi All,
>
> I'm getting ready to order the 3003 aluminum tube
> for my fuel system in
> the fuselage and have a question. I'm planning to
> leave the 1/4" ID
> zenith supplied fuel line in the wings and then have
> an adapter at the
> wing root to the aluminum tubing in the fuse.
>
> I was planning to order 1/4" tubing but it seems
> like several folks
> have gone with the 3/8" tubing. Why go with the 3/8"
> instead of the 1/4"
> ? Is it the thicker wall size of the tubing ?
>
>
> If I go with the 3/8" al tubing then what have folks
> done for the
> connection to the rubber tubing as I can only find
> AN807 fittings that
> go from 1/4" hose to -4 or 3/8" hose to -6 size
> fittings it seems like I
> would need the -6 fittings but with a 1/4" ID hose
> fitting and I don't
> see those listed at aircraft spruce or wicks ?
>
>
> Thanks,
> John Davis
> Burnsville, NC
> 601XL - Jab 3300
Be a better friend, newshound, and
know-it-all with Yahoo! Mobile. Try it now. http://mobile.yahoo.com/;_ylt=Ahu06i62sR8HDtDypao8Wcj9tAcJ
===========
Zenith-List Email Forum -
href="http://www.matronics.com/Navigator?Zenith-List" eudora="autourl">http://www.matronics.com/Navigator?Zenith-List
===========
; - MATRONICS WEB FORUMS -
eudora="autourl">http://forums.matronics.com
===========
; - List Contribution Web Site -
; -Matt Dralle, List Admin.
eudora="autourl">http://www.matronics.com/contribution
=========== |
Terry Phillips
ttp44~at~rkymtn.net
Corvallis MT
601XL/Jab 3300 s .. l .. o .. o .. w build kit - Tail, flaps, & ailerons are done; working on the wings
http://www.mykitlog.com/N47TP/ [quote][b]
| | - The Matronics Zenith-List Email Forum - | | | Use the List Feature Navigator to browse the many List utilities available such as the Email Subscriptions page, Archive Search & Download, 7-Day Browse, Chat, FAQ, Photoshare, and much more:
http://www.matronics.com/Navigator?Zenith-List |
|
_________________ Terry Phillips
Corvallis, MT
ttp44<at>rkymtn.net
Zenith 601XL/Jab 3300 slow build kit - Tail feathers done; working on the wings. |
|
| Back to top |
|
 |
macleod(at)eagle.ca Guest
|
Posted: Fri Mar 07, 2008 6:18 pm Post subject: Fuel System Questions |
|
|
John:
Like you I am going to use the 1/4" line from the tanks to the fuselage
then go with 3/8" Al inside the cabin, and after the gascolator, which is
mounted in the engine compartment (on the firewall), go with 3/8" tubing
to the Rotax fuel pump.
My reasons for 3/8" are:
1. reduced (significantly) friction losses in the line which means lower
pressure drop from the tank to the pump so less chance of vapor lock
2. 3/8" is much stiffer then 1/4" so a more robust system
3. My last kit (Ultravia Pelican PL) used 3/8" from tank to engine (same
engine) and it just seems like a good idea to me to do the same on the XL.
I am using Swagelok Al fittings for all connections. We used Swagelok
fittings exclusively at the Nuclear Plant where I worked (good
reputation).
The Swagelok fittings come in any size combinations youn can imagine
including from 1/4 inch rubber to 3/8" Al. You can Google Swagelok to get
your nearest distributor.
Mike
XL - I think my Rotax FWFwd is ready to be picked up
| | - The Matronics Zenith-List Email Forum - | | | Use the List Feature Navigator to browse the many List utilities available such as the Email Subscriptions page, Archive Search & Download, 7-Day Browse, Chat, FAQ, Photoshare, and much more:
http://www.matronics.com/Navigator?Zenith-List |
|
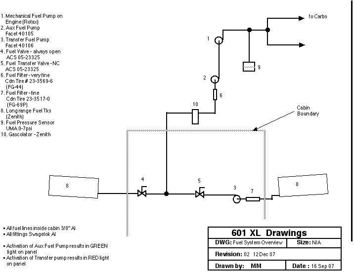
| Description: |
|
| Filesize: |
48.62 KB |
| Viewed: |
272 Time(s) |

|
|
|
| Back to top |
|
 |
bryanmmartin
Joined: 10 Jan 2006 Posts: 1018
|
Posted: Fri Mar 07, 2008 8:11 pm Post subject: Fuel System Questions |
|
|
3003 tubing is sized by its outside diameter. I would not go with
anything less than 1/4" ID for any fuel supply lines. That means the
smallest 3003 line I would use is 3/8" OD tubing. The smaller the
tubing, the more restriction to flow and the more risk of vapor lock.
I used 3/8" aluminum tubing from the wing tanks to my fuel valves,
which had 1/4" female NPT ports using an AN 816-6D fitting. I did not
like the idea of needing to replace the rubber lines inside the wing
at some future date. The fuel line is one continuous piece from the
tank to the valve and passes through a grommet in the fuselage wall. I
used the rubber fuel lines from my fuel valves to the engine, these
lines are easier to access for replacement.
| Quote: |
Hi All,
I'm getting ready to order the 3003 aluminum tube for my fuel system
in the fuselage and have a question. I'm planning to leave the 1/4"
ID zenith supplied fuel line in the wings and then have an adapter
at the wing root to the aluminum tubing in the fuse.
I was planning to order 1/4" tubing but it seems like several folks
have gone with the 3/8" tubing. Why go with the 3/8" instead of the
1/4" ? Is it the thicker wall size of the tubing ?
If I go with the 3/8" al tubing then what have folks done for the
connection to the rubber tubing as I can only find AN807 fittings
that go from 1/4" hose to -4 or 3/8" hose to -6 size fittings it
seems like I would need the -6 fittings but with a 1/4" ID hose
fitting and I don't see those listed at aircraft spruce or wicks ?
|
--
Bryan Martin
N61BM, CH 601 XL,
RAM Subaru, Stratus redrive.
do not archive.
| | - The Matronics Zenith-List Email Forum - | | | Use the List Feature Navigator to browse the many List utilities available such as the Email Subscriptions page, Archive Search & Download, 7-Day Browse, Chat, FAQ, Photoshare, and much more:
http://www.matronics.com/Navigator?Zenith-List |
|
_________________ --
Bryan Martin
N61BM, CH 601 XL, Stratus Subaru.
do not archive. |
|
| Back to top |
|
 |
dougsnash(at)yahoo.com Guest
|
Posted: Sat Mar 08, 2008 6:02 am Post subject: Fuel System Questions |
|
|
Because I'm in Canada and that is what is mandated.
| Quote: | From what I understand, the MD-RA (similar to DAR)
doesn't like any 1/4 inch in the fuel system at all.
|
Problem is, the Rotax has 1/4 inch fittings on the
pump and carbs.
Doug MacDonald
Do not archive
--- John Davis <johnd(at)data-tech.com> wrote:
| Quote: | Hi Doug,
So why are you going with 3/8" from the tanks
instead of 1/4" ?
Thanks,
John
|
Never miss a thing. Make Yahoo your home page.
http://www.yahoo.com/r/hs
| | - The Matronics Zenith-List Email Forum - | | | Use the List Feature Navigator to browse the many List utilities available such as the Email Subscriptions page, Archive Search & Download, 7-Day Browse, Chat, FAQ, Photoshare, and much more:
http://www.matronics.com/Navigator?Zenith-List |
|
|
|
| Back to top |
|
 |
Terry Phillips

Joined: 11 Jan 2006 Posts: 346 Location: Corvallis, MT
|
Posted: Sat Mar 08, 2008 8:26 am Post subject: Fuel System Questions |
|
|
Doug
Are the 1/4" fittings on the pump and carb 1/4" NPT or are they 1/4" AN
tubing fittings?
If they are NPT fittings (like on the Facet 40105 pumps), you should be
aware that the i.d. of even 1/8" schedule 40 pipe is 0.269-inch while the
i.d. of 1/4" schedule 40 pipe is 0.364".
The i.d. of 3/8" aluminum tubing with 0.035 walls is 0.305-inch, which is
smaller than 1/4" schedule 40 pipe, and not all that much larger than 1/8"
schedule 40 pipe. The i.d. of 1/4" tubing with .035 walls is only 0.18".
The flow area for the 3/8" tubing is 2.87 time greater than the 1/4"
tubing. So average flow velocities are ~3x greater in the 1/4" tubing than
in the 3/8" tubing. IIRC, pressure drop increases roughly as the square of
velocity, so pressure drop in 1/4" tubing would be ~8x the pressure drop in
the 3/8" tubing.
Terry
At 06:00 AM 3/8/2008 -0800, you wrote:
| Quote: | Because I'm in Canada and that is what is mandated.
>From what I understand, the MD-RA (similar to DAR)
doesn't like any 1/4 inch in the fuel system at all.
Problem is, the Rotax has 1/4 inch fittings on the
pump and carbs.
Doug MacDonald
Do not archive
|
Terry Phillips
ttp44~at~rkymtn.net
Corvallis MT
601XL/Jab 3300 s .. l .. o .. o .. w build kit - Tail, flaps, & ailerons
are done; working on the wings
http://www.mykitlog.com/N47TP/
| | - The Matronics Zenith-List Email Forum - | | | Use the List Feature Navigator to browse the many List utilities available such as the Email Subscriptions page, Archive Search & Download, 7-Day Browse, Chat, FAQ, Photoshare, and much more:
http://www.matronics.com/Navigator?Zenith-List |
|
_________________ Terry Phillips
Corvallis, MT
ttp44<at>rkymtn.net
Zenith 601XL/Jab 3300 slow build kit - Tail feathers done; working on the wings. |
|
| Back to top |
|
 |
notsew_evets(at)frontiern Guest
|
Posted: Sat Mar 08, 2008 9:12 am Post subject: Fuel System Questions |
|
|
Another question:::
I have a Jabiru 3300A with one mechanical fuel pump. Then I have an
electric "boost" pump on the firewall...
This is how it came from Zenith. My Cherokee has the same set up. One
boost and one mechanical....
I see that some XLs have a pump at each wing....
Please set me straight. Whats the correct way to do the installation.....
SW
---
| | - The Matronics Zenith-List Email Forum - | | | Use the List Feature Navigator to browse the many List utilities available such as the Email Subscriptions page, Archive Search & Download, 7-Day Browse, Chat, FAQ, Photoshare, and much more:
http://www.matronics.com/Navigator?Zenith-List |
|
|
|
| Back to top |
|
 |
jeffrey_davidson(at)earth Guest
|
Posted: Sat Mar 08, 2008 10:01 am Post subject: Fuel System Questions |
|
|
SW,
There are a multitude of postings in the archive about fuel systems
and fuel pumps. In particular, see postings by "Hinde, Frank George
(Corvallis)" <frank.hinde(at)hp.com> I don't believe Frank is still on the
list, but he had standing in fluid systems design. In general, the
recommendation was to locate the Facet pumps as close to the fuel tank(s) as
possible. This avoids "sucking" on the fuel which possibly could cause
vapor lock. See Frank's posts for a more eloquent explanation.
Jeff Davidson
Another question:::
I have a Jabiru 3300A with one mechanical fuel pump. Then I have an
electric "boost" pump on the firewall...
This is how it came from Zenith. My Cherokee has the same set up. One
boost and one mechanical....
I see that some XLs have a pump at each wing....
Please set me straight. Whats the correct way to do the installation.....
SW
| | - The Matronics Zenith-List Email Forum - | | | Use the List Feature Navigator to browse the many List utilities available such as the Email Subscriptions page, Archive Search & Download, 7-Day Browse, Chat, FAQ, Photoshare, and much more:
http://www.matronics.com/Navigator?Zenith-List |
|
|
|
| Back to top |
|
 |
Terry Phillips

Joined: 11 Jan 2006 Posts: 346 Location: Corvallis, MT
|
Posted: Sat Mar 08, 2008 10:40 am Post subject: Fuel System Questions |
|
|
Steve
I believe that there are multiple correct ways, just different. I'm
planning to burn mogas as much as possible. Mogas reportedly has a higher
vapor pressure than avgas, and therefore the system can vapor lock at a
lower temperature. If you read the instructions for the Facet 40105 pump,
they say to mount it as close to the tank as possible. The electric fuel
pumps that I've replaced on various automobiles have all been mounted just
outside of the tank. Most modern cars have the electric pump inside the tank.
For my comfort, I decided to mount a fuel pump in each wing, between nose
ribs 2 and 3. The 601XL standard design has a single pump on the firewall,
with the gascolator poking through the cockpit floor just forward of the
main spar. So, I'm adding a second fuel pump (1.2 lbs) and a second
gascolator (0.6 lbs with fuel) and I'm using aluminum fuel tubing behind
the firewall. Aluminum fuel tubing is used on most certified airplanes. It
seems better to me.
The upside of wing fuel pumps is that vapor lock probability should be
reduced. The downside is that fuel flows through the cockpit at higher
pressure, so any leak there would be a more serious problem. So, you pays
your money and you takes your chances.
Terry
At 10:08 AM 3/8/2008 -0700, you wrote:
| Quote: | Another question:::
I have a Jabiru 3300A with one mechanical fuel pump. Then I have an
electric "boost" pump on the firewall...
This is how it came from Zenith. My Cherokee has the same set up. One
boost and one mechanical....
I see that some XLs have a pump at each wing....
Please set me straight. Whats the correct way to do the installation.....
SW
|
Terry Phillips
ttp44~at~rkymtn.net
Corvallis MT
601XL/Jab 3300 s .. l .. o .. o .. w build kit - Tail, flaps, & ailerons
are done; working on the wings
http://www.mykitlog.com/N47TP/
| | - The Matronics Zenith-List Email Forum - | | | Use the List Feature Navigator to browse the many List utilities available such as the Email Subscriptions page, Archive Search & Download, 7-Day Browse, Chat, FAQ, Photoshare, and much more:
http://www.matronics.com/Navigator?Zenith-List |
|
_________________ Terry Phillips
Corvallis, MT
ttp44<at>rkymtn.net
Zenith 601XL/Jab 3300 slow build kit - Tail feathers done; working on the wings. |
|
| Back to top |
|
 |
bryanmmartin
Joined: 10 Jan 2006 Posts: 1018
|
Posted: Sat Mar 08, 2008 11:16 am Post subject: Fuel System Questions |
|
|
It also depends on what type of fuel you intend to use. Avgas is a
more uniform mixture than auto gas, it doesn't have the low boiling
point components that auto gas has so it's more resistant to vapor
lock than auto gas.
With auto gas, you want to make sure that the inlets to your pumps are
gravity fed at all times (at least for the boost pump) You want the
pressure in the fuel line to be above ambient pressure, the boiling
point of gasoline decreases with a decrease in pressure. You don't
want to draw a suction on a fuel line filled with auto gas, on a hot
day, it could cause the fuel in the line to vaporize and fuel pumps
won't pump vaporized fuel. That's also why you don't want to use any
supply lines less than 1/4" ID. A liquid flowing through a tube will
experience a pressure drop across the length of the tube, the smaller
the tube, the faster the flow and the worse the pressure drop.
Putting the electric pumps in the wings at the outlet from the tanks
pretty much guarantees you won't vapor lock the pumps, but it may be a
bit of overkill. I put my fuel pumps on the cabin floor in the rudder
cable tunnel just ahead of the gascolator near the lowest point of the
system. In that location, they should be gravity fed in nearly any
flight attitude or fuel state. The only possible way I can see vapor
lock developing in my system is during a steep climb out at full
throttle on a very hot day with a very low fuel level in the tank.
That is a situation I don't intend to get myself into.
| Quote: |
>
Another question:::
I have a Jabiru 3300A with one mechanical fuel pump. Then I have an
electric "boost" pump on the firewall...
This is how it came from Zenith. My Cherokee has the same set up.
One boost and one mechanical....
I see that some XLs have a pump at each wing....
Please set me straight. Whats the correct way to do the
installation.....
|
--
Bryan Martin
N61BM, CH 601 XL,
RAM Subaru, Stratus redrive.
do not archive.
| | - The Matronics Zenith-List Email Forum - | | | Use the List Feature Navigator to browse the many List utilities available such as the Email Subscriptions page, Archive Search & Download, 7-Day Browse, Chat, FAQ, Photoshare, and much more:
http://www.matronics.com/Navigator?Zenith-List |
|
_________________ --
Bryan Martin
N61BM, CH 601 XL, Stratus Subaru.
do not archive. |
|
| Back to top |
|
 |
dougsnash(at)yahoo.com Guest
|
Posted: Sat Mar 08, 2008 11:46 am Post subject: Fuel System Questions |
|
|
The Rotax/Piersburg fuel pump has essentially a 1/4"
metal tube with a bulge crimped into the end of it for
a rubber fuel line to go over and be held on with a
hose clamp. The fittings are welded/crimped to the
case of the pump and not changable. So I suppose the
answer to your question would be, neither 1/4 NPT or
1/4 AN.
Fortunately, on the 701, we have gravity working for
us. If this were a 601, I would definately be
installing dual Facets mentioned in another post.
Doug MacDonald
CH-701 Scatch Builder
NW Ontario, Canada
Do not Archive
--- Terry Phillips <ttp44(at)rkymtn.net> wrote:
| Quote: |
<ttp44(at)rkymtn.net>
Doug
Are the 1/4" fittings on the pump and carb 1/4" NPT
or are they 1/4" AN
tubing fittings?
If they are NPT fittings (like on the Facet 40105
pumps), you should be
aware that the i.d. of even 1/8" schedule 40 pipe is
0.269-inch while the
i.d. of 1/4" schedule 40 pipe is 0.364".
The i.d. of 3/8" aluminum tubing with 0.035 walls is
0.305-inch, which is
smaller than 1/4" schedule 40 pipe, and not all that
much larger than 1/8"
schedule 40 pipe. The i.d. of 1/4" tubing with .035
walls is only 0.18".
The flow area for the 3/8" tubing is 2.87 time
greater than the 1/4"
tubing. So average flow velocities are ~3x greater
in the 1/4" tubing than
in the 3/8" tubing. IIRC, pressure drop increases
roughly as the square of
velocity, so pressure drop in 1/4" tubing would be
~8x the pressure drop in
the 3/8" tubing.
Terry
|
Never miss a thing. Make Yahoo your home page.
http://www.yahoo.com/r/hs
| | - The Matronics Zenith-List Email Forum - | | | Use the List Feature Navigator to browse the many List utilities available such as the Email Subscriptions page, Archive Search & Download, 7-Day Browse, Chat, FAQ, Photoshare, and much more:
http://www.matronics.com/Navigator?Zenith-List |
|
|
|
| Back to top |
|
 |
Terry Phillips

Joined: 11 Jan 2006 Posts: 346 Location: Corvallis, MT
|
Posted: Sat Mar 08, 2008 2:20 pm Post subject: Fuel System Questions |
|
|
Doug
Now I see your problem more clearly. I have always planned on using ZAC's
1/4" i.d. rubber tubing (inside a fire sleeve) FWF. That would mate fine
with your fuel pump.
I doubt I can propose a better scheme than the one you suggested, but,
perhaps, other alternatives. I don't see any way to go from 3/8" aluminum
tubing to your 1/4" hose barb w/o using at least 3 AN fittings plus some
1/4" i.d. hose.
Assuming you bring 3/8" aluminum through the firewall (eyeball fitting or
bulkhead fitting), one alternative would be connect to an AN816-6-2D nipple
to a AN910-1D coupling to a AN840-4D hose nipple and then run 1/4" i.d.
rubber hose to the fuel pump.
One other thing I failed to mention in an earlier post. Bengelis recommends
5052 aluminum tubing fo fuel lines rather than 3003, so that's what I ordered.
One item still on my shopping list is a tube flaring tool for the 37° AN
flare fittings. They are $90 at Wicks. Summit racing has a 37° tool for
~$32. Harbor Freight has a flaring tool for ~$12, angle unknown. Does
anyone have experience with any of these? Or with a different satisfactory
tool for a reasonable price? Thanks for any suggestions you can give me.
Terry
At 11:43 AM 3/8/2008 -0800, you wrote:
| Quote: | The Rotax/Piersburg fuel pump has essentially a 1/4"
metal tube with a bulge crimped into the end of it for
a rubber fuel line to go over and be held on with a
hose clamp. The fittings are welded/crimped to the
case of the pump and not changable. So I suppose the
answer to your question would be, neither 1/4 NPT or
1/4 AN.
Fortunately, on the 701, we have gravity working for
us. If this were a 601, I would definately be
installing dual Facets mentioned in another post.
Doug MacDonald
CH-701 Scatch Builder
NW Ontario, Canada
|
Terry Phillips
ttp44~at~rkymtn.net
Corvallis MT
601XL/Jab 3300 s .. l .. o .. o .. w build kit - Tail, flaps, & ailerons
are done; working on the wings
http://www.mykitlog.com/N47TP/
| | - The Matronics Zenith-List Email Forum - | | | Use the List Feature Navigator to browse the many List utilities available such as the Email Subscriptions page, Archive Search & Download, 7-Day Browse, Chat, FAQ, Photoshare, and much more:
http://www.matronics.com/Navigator?Zenith-List |
|
_________________ Terry Phillips
Corvallis, MT
ttp44<at>rkymtn.net
Zenith 601XL/Jab 3300 slow build kit - Tail feathers done; working on the wings. |
|
| Back to top |
|
 |
dougsnash(at)yahoo.com Guest
|
Posted: Sat Mar 08, 2008 8:05 pm Post subject: Fuel System Questions |
|
|
I have the AS&S economy flaring tool for AN fitting
(37 Deg). I have no idea how it will work out since I
haven't tried and falring yet.
It is likely the same on as Wicks is selling.
Doug MacDonald
CH-701 Scratch Bulder
NW Ontario, Canada
Do not archive
| Quote: | One item still on my shopping list is a tube flaring
tool for the 37° AN
flare fittings. They are $90 at Wicks. Summit racing
has a 37° tool for
~$32. Harbor Freight has a flaring tool for ~$12,
angle unknown. Does
anyone have experience with any of these? Or with a
different satisfactory
tool for a reasonable price? Thanks for any
suggestions you can give me.
Terry
|
Be a better friend, newshound, and
know-it-all with Yahoo! Mobile. Try it now. http://mobile.yahoo.com/;_ylt=Ahu06i62sR8HDtDypao8Wcj9tAcJ
| | - The Matronics Zenith-List Email Forum - | | | Use the List Feature Navigator to browse the many List utilities available such as the Email Subscriptions page, Archive Search & Download, 7-Day Browse, Chat, FAQ, Photoshare, and much more:
http://www.matronics.com/Navigator?Zenith-List |
|
|
|
| Back to top |
|
 |
|
|
You cannot post new topics in this forum You cannot reply to topics in this forum You cannot edit your posts in this forum You cannot delete your posts in this forum You cannot vote in polls in this forum You cannot attach files in this forum You can download files in this forum
|
Powered by phpBB © 2001, 2005 phpBB Group
|