 |
Matronics Email Lists Web Forum Interface to the Matronics Email Lists
|
| View previous topic :: View next topic |
| Author |
Message |
user9253
Joined: 28 Mar 2008 Posts: 1972 Location: Riley TWP Michigan
|
Posted: Fri May 23, 2008 4:42 pm Post subject: Z-19 hypothetical question |
|
|
Here is a hypothetical question for you electrical gurus. A pilot is flying on trip in a plane wired according to schematic Z-19. Shortly after takeoff the main battery contactor fails open. The pilot does not notice anything wrong because the engine battery contactor is closed and the alternator is still functioning. Eventually the main battery discharges due to loads on the main battery bus, and the pilot notices some things not working. He knows there is a problem but does not know the cause. Just to be safe, he closes the Endurance-Bus Alternate-Feed switch. The question is, does the charging current blow a fuse? (either one or both fuses) The current path is from the Main Power Distribution Bus, 7A fuse, diode, Endurance Bus, Alternate-Feed switch, fuse, Main Battery Bus, to the main battery.
If the answer to the above question is yes, then everything on the Endurance Bus might not work for the remainder of the flight. I think the best solution is to increase the wire and fuse sizes in the above circuit. What size is required? Other possible solutions such as another diode or relay create additional problems.
Joe Gores
| | - The Matronics AeroElectric-List Email Forum - | | | Use the List Feature Navigator to browse the many List utilities available such as the Email Subscriptions page, Archive Search & Download, 7-Day Browse, Chat, FAQ, Photoshare, and much more:
http://www.matronics.com/Navigator?AeroElectric-List |
|
_________________ Joe Gores |
|
| Back to top |
|
 |
nuckolls.bob(at)cox.net Guest
|
Posted: Sat May 24, 2008 9:59 am Post subject: Z-19 hypothetical question |
|
|
At 05:42 PM 5/23/2008 -0700, you wrote:
| Quote: |
Here is a hypothetical question for you electrical gurus. A pilot is
flying on trip in a plane wired according to schematic Z-19. Shortly
after takeoff the main battery contactor fails open. The pilot does not
notice anything wrong because the engine battery contactor is closed and
the alternator is still functioning. Eventually the main battery
discharges due to loads on the main battery bus, and the pilot notices
some things not working. He knows there is a problem but does not know
the cause. Just to be safe, he closes the Endurance-Bus Alternate-Feed
switch. The question is, does the charging current blow a fuse? (either
one or both fuses) The current path is from the Main Power Distribution
Bus, 7A fuse, diode, Endurance Bus, Alternate-Feed switch, fuse, Main
Battery Bus, to the main battery.
|
EXCELLENT question!
It's that "just to be safe" thinking that causes
joe-pilot to stubs his toe. Every design feature
of a system is (or at least should be) put in place
for a specific purpose. In this case, the E-bus alternate
feed switch is intended to provide an alternative power
for e-bus powered electro-whizzies WHEN the main bus
voltage falls too low to be a practical source of energy.
99.9+ percent of the time this is because the
alternator is no longer supporting ship's loads for
what ever reason.
| Quote: | If the answer to the above question is yes, then everything on the
Endurance Bus might not work for the remainder of the flight. I think the
best solution is to increase the wire and fuse sizes in the above
circuit. What size is required? Other possible solutions such as another
diode or relay create additional problems.
|
Controls in our aircraft have beneficial
effects that are addressed as part of a constellation
of design goals. Some controls are not totally
free of misadventure or even hazard for having been
operated at an inappropriate time or inappropriate
way.
The only time I would close the e-bus alternate feed
switch is after the low voltage warning light has
informed me of a need for completing the flight battery(ies)
only.
Referring to . . .
http://www.aeroelectric.com/PPS/Adobe_Architecture_Pdfs/Z19m_1.pdf
http://www.aeroelectric.com/PPS/Adobe_Architecture_Pdfs/Z19m_2.pdf
In the hypothetical you posed, electro-whizzies to
first start spinning down would be the clock and the
#2 fuel pump. Also, the engine would be complaining if
the current configuration of switches had the engine
running from the main battery instead of the engine
battery. In this case, the first thing to do is bring
the engine's alternative power switch ON to see if the
engine gets happier. This is the hazard-free thing
to do irrespective of how the engine was being powered
before the "event".
Once the engine is happy, use the voltmeter to explore
the condition of the two batteries. One would quickly
discover that for whatever reason, one of the batteries
is low.
Now is not the time to initiate trouble shooting
procedures with switch-flipitis and non-piloting
thought processes. Save all that fun stuff until
parked on the ramp.
Now, suppose a contactor fails during flight but
the battery does not fall so low that electro-whizzies
start complaining. It's conceivable that the airplane
gets parked with an undiscovered latent failure. This
is why the pre-flight check for dual battery airplanes
is to turn battery switches on one at a time before starting
the engine and comparing similarity of voltage readings
for the two batteries under the same load.
This will catch the latent failure before next flight.
This brings up the rationale for separate normal
and alternative engine power control switches as opposed
to the multi-pole, two-position switches suggested by
other designers. This hypothetical illustrates the
feature of being able to ADD the alternative engine
source to the current engine source . . . I.e. disturb
as few controls in the present configuration as possible
while resolving the appropriate plan-B for comfortable
termination of flight. It also eliminates having mechanical
failure of the single switch taking the engine power down.
More than one dark-n-stormy night story has related
situations where pilot fiddle-itis made things
progressively worse. I had this conversation with
a client just yesterday when the question was asked,
"what happens if the warning light comes on, the pilot
pulls the breaker and resets it, the warning light goes
out and he tries to operate the system AGAIN and
further aggravates the out-of-rig condition?"
My answer was, "If the pilot survives to tell you
about it, yank his job if not also his ticket". If the POH
or the check-pilot that approved him for the aircraft
doesn't cover the proper procedure for responding to
that particular warning, then yank HIS job and/or ticket."
The point is that carefully crafted systems need to
be supported not just with good systems and human
factors engineering. The teachers charged with
insuring skill and understanding on the part of
future users are just as critical as the designers.
More folks die out of apathy/ignorance than of systems
failure.
Bob . . .
| | - The Matronics AeroElectric-List Email Forum - | | | Use the List Feature Navigator to browse the many List utilities available such as the Email Subscriptions page, Archive Search & Download, 7-Day Browse, Chat, FAQ, Photoshare, and much more:
http://www.matronics.com/Navigator?AeroElectric-List |
|
|
|
| Back to top |
|
 |
nuckolls.bob(at)cox.net Guest
|
Posted: Sat May 24, 2008 10:25 am Post subject: Z-19 hypothetical question |
|
|
P.S. A product under development . . .
http://www.aeroelectric.com/Catalog/AEC/9011/9011-700-1C.pdf
has two channels of LOW Voltage warning. The second specifically intended
to watch the aux battery for failure of contactor or failure of
pilot to close said contactor.
I don't think I'd put a low voltage warning in just for that purpose
but in this case, it was about a 7% increase in parts count to
add the feature to an existing design.
Just some additional food for thought.
Bob . . .
| | - The Matronics AeroElectric-List Email Forum - | | | Use the List Feature Navigator to browse the many List utilities available such as the Email Subscriptions page, Archive Search & Download, 7-Day Browse, Chat, FAQ, Photoshare, and much more:
http://www.matronics.com/Navigator?AeroElectric-List |
|
|
|
| Back to top |
|
 |
user9253
Joined: 28 Mar 2008 Posts: 1972 Location: Riley TWP Michigan
|
Posted: Mon May 26, 2008 7:31 am Post subject: Hey Bob, were you referring to me as joe-pilot? LOL |
|
|
Hey Bob, were you referring to me as joe-pilot? LOL
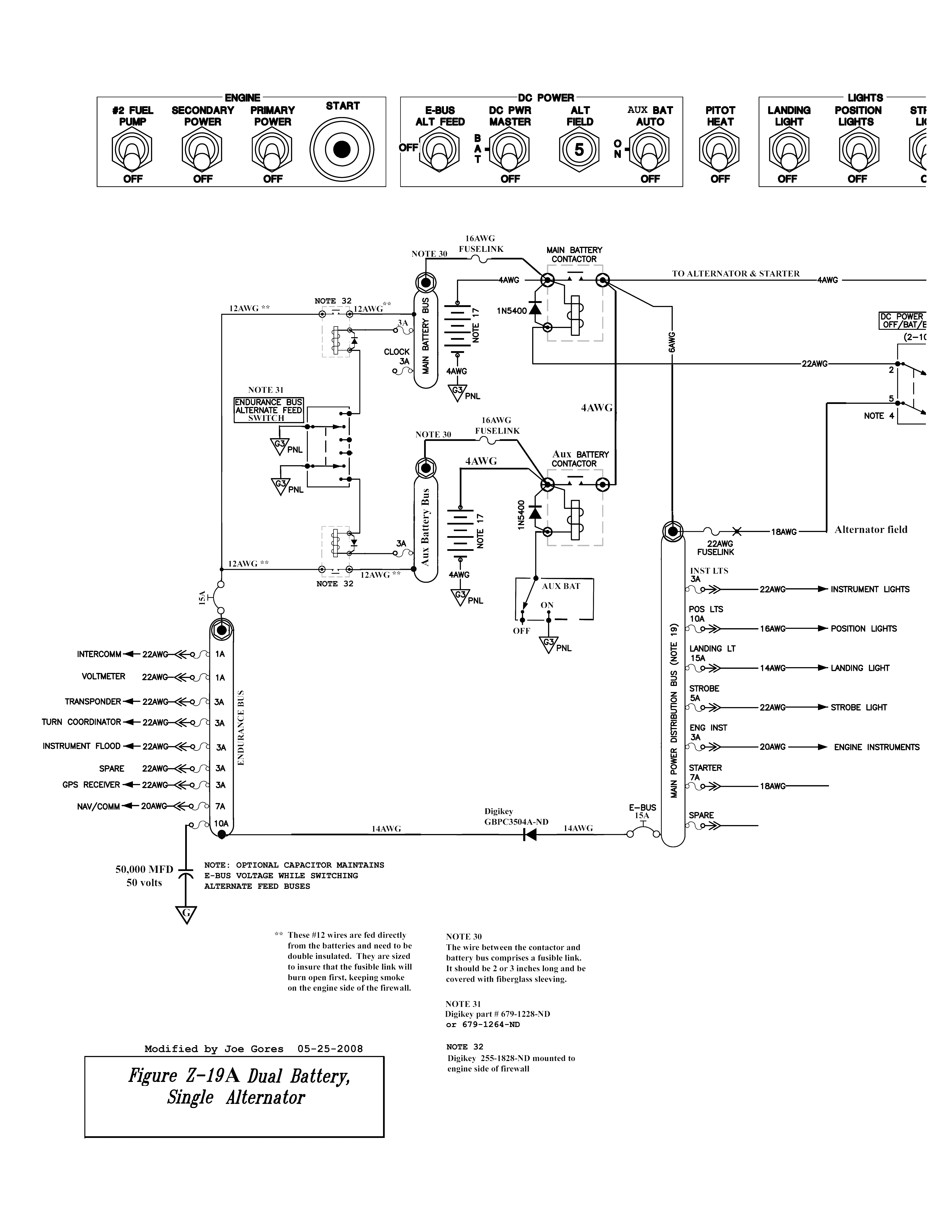
Ok, to keep me from stubbing my toe, how about the attached schematic? It features circuit breakers within reach of the pilot, dual alternate feed for the essential bus, relays to isolate power from the cockpit, one power wire between engine compartment and essential bus with fusible links to protect it.
Any suggestions, comments, or improvements are welcome.
Joe Gores
| | - The Matronics AeroElectric-List Email Forum - | | | Use the List Feature Navigator to browse the many List utilities available such as the Email Subscriptions page, Archive Search & Download, 7-Day Browse, Chat, FAQ, Photoshare, and much more:
http://www.matronics.com/Navigator?AeroElectric-List |
|
| Description: |
| Modified Z-19 Dual batteries without fuel injection or electronic ignition |
|
| Filesize: |
955.98 KB |
| Viewed: |
611 Time(s) |

|
_________________ Joe Gores |
|
| Back to top |
|
 |
longg(at)pjm.com Guest
|
|
| Back to top |
|
 |
nuckolls.bob(at)cox.net Guest
|
Posted: Tue May 27, 2008 4:32 pm Post subject: Z-19 hypothetical question |
|
|
At 08:31 AM 5/26/2008 -0700, you wrote:
| Quote: |
Hey Bob, were you referring to me as joe-pilot? LOL
Ok, to keep me from stubbing my toe, how about the attached schematic? It
features circuit breakers within reach of the pilot, dual alternate feed
for the essential bus, relays to isolate power from the cockpit, one power
wire between engine compartment and essential bus with fusible links to
protect it.
Any suggestions, comments, or improvements are welcome.
Joe Gores
|
I'm having trouble putting my arms around the rationale
for the double alternate e-bus feeds. The original design
goal for dual batteries under Z-19 was to make sure the
LAST piece of equipment on board to loose power after
alternator failure was the engine.
Further, with the double-alternate feed scheme you seem
to be worrying about double failure . . . alternator
followed by a failure of your non-engine battery to carry
e-bus loads.
For the first 25% or so of capacitor discharge, voltage
falls at the approximate rate of:
Volts/Second = Amps/Farad
Assuming a 4A bus, then 4A/.05F yields a rate of
80 volts/second. If your hoping to keep the e-bus
at say 10v or above, then starting with a fresh battery
(12.5 v) you can tolerate a drop of 2.5 volts during
transition.
At 80 volts/second decay, you can tolerate an open supply
line for 2.5/80.0 or 32 milliseconds. Hmmm . . . you
can probably get the transition over with in that time.
But suppose you're switching from a discharged battery
at 10.5 volts. Now the capacitor starts at 10.5 and
transition has to be completed in 0.5v/80vps
or 6 milliseconds.
This exercise illustrates why we don't attempt these
kinds of things in the big iron birds. Every piece
of equipment we install is qualified to make graceful
recoveries from total loss of power during switch
or relay transitions.
Let's revisit Z-19 as published and you tell us
what failure mode is not addressed.
Bob . . .
----------------------------------------)
( . . . a long habit of not thinking )
( a thing wrong, gives it a superficial )
( appearance of being right . . . )
( )
( -Thomas Paine 1776- )
----------------------------------------
| | - The Matronics AeroElectric-List Email Forum - | | | Use the List Feature Navigator to browse the many List utilities available such as the Email Subscriptions page, Archive Search & Download, 7-Day Browse, Chat, FAQ, Photoshare, and much more:
http://www.matronics.com/Navigator?AeroElectric-List |
|
|
|
| Back to top |
|
 |
|
|
You cannot post new topics in this forum You cannot reply to topics in this forum You cannot edit your posts in this forum You cannot delete your posts in this forum You cannot vote in polls in this forum You cannot attach files in this forum You can download files in this forum
|
Powered by phpBB © 2001, 2005 phpBB Group
|