 |
Matronics Email Lists Web Forum Interface to the Matronics Email Lists
|
| View previous topic :: View next topic |
| Author |
Message |
Mike Welch
Joined: 13 Feb 2011 Posts: 272
|
Posted: Sat Jul 30, 2011 8:23 am Post subject: IvoProp circuit question |
|
|
Bob,
I finally finished my mini-vacations, off visiting my kids and grandkids, and
have now tackled that IvoProp current limiter circuit problem I had.
Rather than try to figure out where I miswired something, I thought it easier
to just build a whole new circuit. I've made great efforts to quadruple check,
and confirm that all the solder points are correct!! Polarities oriented properly,
when needed, everything connected to the right component!! So, at this point,
I am pretty certain I have the entire circuit completed (properly). Only one
last hook-up; the IRFP3703.
Bob, could you help me make sure I get the connections to the IFRP3703 right?
It has three "pins", and I'm using the datasheet to identify them. Although the
datasheet is clear, and easy to understand.....they used a different symbol for
the MOSFET than you did, and I'd like to be 100% certain I'm connecting it right.
According to the datasheet, looking at the rectifier, writing facing us, and pins down,
pin 1 is the left (gate), pin 2 (drain), pin 3 (source). (and back thermal pad is drain, also).
On your IvoProp circuit, there are three attach points for the rectifier, could you identify
them for me?
1. R113 attaches to the pin_______
2. The junction of R116, R117, & R118 attach to pin_______
3. Cathode of D108 & RED16 connect to pin________
Mike Welch
[quote][b]
| | - The Matronics AeroElectric-List Email Forum - | | | Use the List Feature Navigator to browse the many List utilities available such as the Email Subscriptions page, Archive Search & Download, 7-Day Browse, Chat, FAQ, Photoshare, and much more:
http://www.matronics.com/Navigator?AeroElectric-List |
|
|
|
| Back to top |
|
 |
nuckolls.bob(at)aeroelect Guest
|
Posted: Sat Jul 30, 2011 9:21 am Post subject: IvoProp circuit question |
|
|
At 11:20 AM 7/30/2011, you wrote:
| Quote: | Bob,
I finally finished my mini-vacations, off visiting my kids and grandkids, and
have now tackled that IvoProp current limiter circuit problem I had.
Rather than try to figure out where I miswired something, I thought it easier
to just build a whole new circuit. |
Could you send me your old one?
| Quote: | I've made great efforts to quadruple check,
and confirm that all the solder points are correct!! Polarities oriented properly,
when needed, everything connected to the right component!! So, at this point,
I am pretty certain I have the entire circuit completed (properly). Only one
last hook-up; the IRFP3703.
Bob, could you help me make sure I get the connections to the IFRP3703 right?
It has three "pins", and I'm using the datasheet to identify them. Although the
datasheet is clear, and easy to understand.....they used a different symbol for
the MOSFET than you did, and I'd like to be 100% certain I'm connecting it right..
According to the datasheet, looking at the rectifier, writing facing us, and pins down,
pin 1 is the left (gate), pin 2 (drain), pin 3 (source). (and back thermal pad is drain, also)..
On your IvoProp circuit, there are three attach points for the rectifier, could you identify
them for me? |
[img]cid:.0[/img]
Bob . . .
| | - The Matronics AeroElectric-List Email Forum - | | | Use the List Feature Navigator to browse the many List utilities available such as the Email Subscriptions page, Archive Search & Download, 7-Day Browse, Chat, FAQ, Photoshare, and much more:
http://www.matronics.com/Navigator?AeroElectric-List |
|
| Description: |
|
| Filesize: |
60.07 KB |
| Viewed: |
1868 Time(s) |

|
|
|
| Back to top |
|
 |
Mike Welch
Joined: 13 Feb 2011 Posts: 272
|
Posted: Sat Jul 30, 2011 12:33 pm Post subject: IvoProp circuit question |
|
|
Hi Bob,
Sure, I can send you the old one. Back when I was ordering parts, I ordered multiples
of everything....except the IRFP3703 (it came from Digi-Key, everything else from Mouser).
I figured if I had any problems it'd be easier to build a new circuit than try and analyze
where I had a problem.
I cannibalized the IRFP3703 from the original circuit and am using it in the new one. Do
you still want the old circuit....even though it's missing the rectifier? I can send everything
else unchanged, unaltered, totally intact, as removed, including the LEDs, and spade connectors,
etc.
BTW, I had the IRFP3703 separate from the actual circuit board. I mounted it on a 2" x 2"
piece of AL plate, connected by way of wires to the appropriate spots on the CB. All I did
was snip the 3 wires for removal.
For the record; I had it hooked up correctly. While I was waiting on a return email
about my question, I found a datasheet of MOSFET symbols I originally used to hook it up
like you said to do. The data sheet had several configurations of MOSFETs, including one
virtually the same as the design you had in the circuit.
Thanks for your help,
Mike Welch
PS What is the preferred address to send it to? I had somewhere, but it'd take me awhile
to find it.
| | - The Matronics AeroElectric-List Email Forum - | | | Use the List Feature Navigator to browse the many List utilities available such as the Email Subscriptions page, Archive Search & Download, 7-Day Browse, Chat, FAQ, Photoshare, and much more:
http://www.matronics.com/Navigator?AeroElectric-List |
|
| Description: |
|
| Filesize: |
60.07 KB |
| Viewed: |
1865 Time(s) |

|
|
|
| Back to top |
|
 |
nuckolls.bob(at)aeroelect Guest
|
Posted: Sat Jul 30, 2011 10:03 pm Post subject: IvoProp circuit question |
|
|
At 03:29 PM 7/30/2011, you wrote:
| Quote: | Hi Bob,
BTW, I had the IRFP3703 separate from the actual circuit board. I mounted it on a 2" x 2"
piece of AL plate, connected by way of wires to the appropriate spots on the CB. All I did
was snip the 3 wires for removal. |
That's okay I have the fets here. BTW, they don't
need to be on a heatsink. The system shuts down
so fast that the un-sinked device doesn't have
time to get hot.
I've got a manufactured assembly about ready to
test. The FET on this assembly is right on the
board with no heatsink.
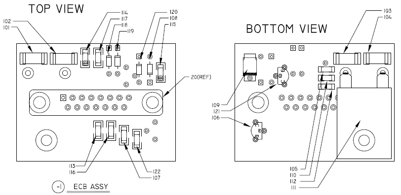
[img]cid:7.1.0.9.0.20110731005022.03527560(at)aeroelectric.com.1[/img]
The next generation device will have a surface mounted
fet which is smaller yet.
| Quote: | For the record; I had it hooked up correctly. While I was waiting on a return email
about my question, I found a datasheet of MOSFET symbols I originally used to hook it up
like you said to do. The data sheet had several configurations of MOSFETs, including one
virtually the same as the design you had in the circuit. |
Very good!
Let me know how it works out.
| Quote: | Thanks for your help,
Mike Welch
PS What is the preferred address to send it to? I had somewhere, but it'd take me awhile
to find it. |
P.O. box 130, Medicine Lodge, KS 67104
Bob . . .
| | - The Matronics AeroElectric-List Email Forum - | | | Use the List Feature Navigator to browse the many List utilities available such as the Email Subscriptions page, Archive Search & Download, 7-Day Browse, Chat, FAQ, Photoshare, and much more:
http://www.matronics.com/Navigator?AeroElectric-List |
|
| Description: |
|
| Filesize: |
122.83 KB |
| Viewed: |
1852 Time(s) |

|
|
|
| Back to top |
|
 |
|
|
You cannot post new topics in this forum You cannot reply to topics in this forum You cannot edit your posts in this forum You cannot delete your posts in this forum You cannot vote in polls in this forum You cannot attach files in this forum You can download files in this forum
|
Powered by phpBB © 2001, 2005 phpBB Group
|