 |
Matronics Email Lists Web Forum Interface to the Matronics Email Lists
|
| View previous topic :: View next topic |
| Author |
Message |
Albert Gardner

Joined: 10 Jan 2006 Posts: 455 Location: Yuma, AZ
|
Posted: Fri May 04, 2007 5:46 am Post subject: Avionics Wiring: SL30/40 to PMA8000 |
|
|
I am wiring my audio panel (PS 8000) to my Garmin SL30 and 40 and need some help.
SL30, the comm. outputs to the audio panel are labeled as follows:
Pin 14 Headphone
Pin 13 Audio Ground
Pin 8 Mic 1
Pin 7 Mic Ground
Pin 4 TxKey
PS8000, the audio panel inputs from Comm Transceiver #1 are labeled as follows:
Pin 9 Com 1 Audio Hi
Pin 10 Com 1 Lo
Pin 11 Com 1 Mic Audio Hi
Pin 12 Com 1 Mic Key
Has anyone completed this specific installation and could help out?
Also, the audio panel says ground shields at audio panel only, float other ends while the SL30 diagram has some shields grounded there and says leave other end floating.
Albert Gardner
Yuma, AZ
[quote][b]
| | - The Matronics RV10-List Email Forum - | | | Use the List Feature Navigator to browse the many List utilities available such as the Email Subscriptions page, Archive Search & Download, 7-Day Browse, Chat, FAQ, Photoshare, and much more:
http://www.matronics.com/Navigator?RV10-List |
|
_________________ RV-9A N872RV
RV-10 N991RV |
|
| Back to top |
|
 |
Ted French
Joined: 09 Jan 2006 Posts: 54 Location: Kelowna BC Canada
|
Posted: Fri May 04, 2007 6:29 am Post subject: Avionics Wiring: SL30/40 to PMA8000 |
|
|
Albert
I have this exact installation. E-mail me your address and I'll send the cad dwg in PDF format to you.
ted_french(at)telus.net
Do Not Archive
Ted French C-FXCS
RV-10 Flying
[quote] --
| | - The Matronics RV10-List Email Forum - | | | Use the List Feature Navigator to browse the many List utilities available such as the Email Subscriptions page, Archive Search & Download, 7-Day Browse, Chat, FAQ, Photoshare, and much more:
http://www.matronics.com/Navigator?RV10-List |
|
_________________ Ted French
RV-10 fuselage |
|
| Back to top |
|
 |
Tim Olson
Joined: 25 Jan 2007 Posts: 2882
|
Posted: Fri May 04, 2007 6:32 am Post subject: Avionics Wiring: SL30/40 to PMA8000 |
|
|
Regarding the grounds, do them as the PS8000 manual shows.
The SL-30's "Headphone" is the "Audio Hi". Lots of avionics
just call the signal and ground "Hi" and "Lo", so think of
the "Com 1 Lo" as the audio signal ground. Same with the Mic.
The Com1 Mic Key should just apply a ground to your Nav/COM
pin that will cause it to transmit, when you push the PTT button
wired into your audio panel.
The attached PMA8000 wiring diagram should be almost everything
you need.
The audio panel wiring is about the most complicated in the entire
panel, and certainly can have the most wires of just about
everything. Mine is wired with dual music inputs, both switchable
to be fed from either jack as front or rear for split music
in either jack direction, and it also includes the telephone input,
and I filled up the audio inputs. It also has Karoke mode, and
the muting override, so it's pretty much a complete install.
Can't go without karoke, so you can yell to the music....and with
headphones, your passengers can't even hear you.
Tim Olson - RV-10 N104CD
Albert Gardner wrote:
| Quote: | I am wiring my audio panel (PS 8000) to my Garmin SL30 and 40 and need
some help.
SL30, the comm. outputs to the audio panel are labeled as follows:
Pin 14 Headphone
Pin 13 Audio Ground
Pin 8 Mic 1
Pin 7 Mic Ground
Pin 4 TxKey
PS8000, the audio panel inputs from Comm Transceiver #1 are labeled as
follows:
Pin 9 Com 1 Audio Hi
Pin 10 Com 1 Lo
Pin 11 Com 1 Mic Audio Hi
Pin 12 Com 1 Mic Key
Has anyone completed this specific installation and could help out?
Also, the audio panel says ground shields at audio panel only, float
other ends while the SL30 diagram has some shields grounded there and
says leave other end floating.
Albert Gardner
Yuma, AZ
*
|
| | - The Matronics RV10-List Email Forum - | | | Use the List Feature Navigator to browse the many List utilities available such as the Email Subscriptions page, Archive Search & Download, 7-Day Browse, Chat, FAQ, Photoshare, and much more:
http://www.matronics.com/Navigator?RV10-List |
|
| Description: |
|
 Download |
| Filename: |
PMA8000_Wire.pdf |
| Filesize: |
204.41 KB |
| Downloaded: |
413 Time(s) |
|
|
| Back to top |
|
 |
Albert Gardner

Joined: 10 Jan 2006 Posts: 455 Location: Yuma, AZ
|
Posted: Fri May 04, 2007 7:32 am Post subject: Avionics Wiring: SL30/40 to PMA8000 |
|
|
Hey thanks Ted.
ibspud(at)roadrunner.com (ibspud(at)roadrunner.com)
Albert Gardner
Yuma, AZ
--
| | - The Matronics RV10-List Email Forum - | | | Use the List Feature Navigator to browse the many List utilities available such as the Email Subscriptions page, Archive Search & Download, 7-Day Browse, Chat, FAQ, Photoshare, and much more:
http://www.matronics.com/Navigator?RV10-List |
|
_________________ RV-9A N872RV
RV-10 N991RV |
|
| Back to top |
|
 |
Albert Gardner

Joined: 10 Jan 2006 Posts: 455 Location: Yuma, AZ
|
Posted: Fri May 04, 2007 8:29 am Post subject: Avionics Wiring: SL30/40 to PMA8000 |
|
|
Thanks Tim. My confusion is over the fact that there are 5 pins in the SL30 and only 4 in the PMA8000 for the Com 1 radio.
I think the solution is to run both the SL30's pin 13 (audio ground) and pin 7 (mic ground) to the PMA8000 pin 10 (com 1 lo).
Albert Gardner
Yuma, AZ (
[quote][b]
| | - The Matronics RV10-List Email Forum - | | | Use the List Feature Navigator to browse the many List utilities available such as the Email Subscriptions page, Archive Search & Download, 7-Day Browse, Chat, FAQ, Photoshare, and much more:
http://www.matronics.com/Navigator?RV10-List |
|
_________________ RV-9A N872RV
RV-10 N991RV |
|
| Back to top |
|
 |
Tim Olson
Joined: 25 Jan 2007 Posts: 2882
|
Posted: Fri May 04, 2007 9:03 am Post subject: Avionics Wiring: SL30/40 to PMA8000 |
|
|
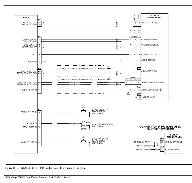
Page 19 of the SL-30 manual shows something similar when wiring to an
LS-10/15 audio panel so I see no problem there.
Tim Olson - RV-10 N104CD - Flying
do not archive
Albert Gardner wrote:
| Quote: | Thanks Tim. My confusion is over the fact that there are 5 pins in the
SL30 and only 4 in the PMA8000 for the Com 1 radio.
I think the solution is to run both the SL30's pin 13 (audio ground) and
pin 7 (mic ground) to the PMA8000 pin 10 (com 1 lo).
Albert Gardner
Yuma, AZ (
|
| | - The Matronics RV10-List Email Forum - | | | Use the List Feature Navigator to browse the many List utilities available such as the Email Subscriptions page, Archive Search & Download, 7-Day Browse, Chat, FAQ, Photoshare, and much more:
http://www.matronics.com/Navigator?RV10-List |
|
| Description: |
|
| Filesize: |
67.25 KB |
| Viewed: |
363 Time(s) |

|
|
|
| Back to top |
|
 |
Albert Gardner

Joined: 10 Jan 2006 Posts: 455 Location: Yuma, AZ
|
Posted: Mon May 07, 2007 6:02 am Post subject: Avionics Wiring: SL30/40 to PMA8000 |
|
|
Many thanks to Ted and Tim for the wiring info. Ted's diagram answers a lot
of questions for wiring this particular setup.
Albert Gardner
Yuma, AZ
| | - The Matronics RV10-List Email Forum - | | | Use the List Feature Navigator to browse the many List utilities available such as the Email Subscriptions page, Archive Search & Download, 7-Day Browse, Chat, FAQ, Photoshare, and much more:
http://www.matronics.com/Navigator?RV10-List |
|
_________________ RV-9A N872RV
RV-10 N991RV |
|
| Back to top |
|
 |
|
|
You cannot post new topics in this forum You cannot reply to topics in this forum You cannot edit your posts in this forum You cannot delete your posts in this forum You cannot vote in polls in this forum You cannot attach files in this forum You can download files in this forum
|
Powered by phpBB © 2001, 2005 phpBB Group
|