 |
Matronics Email Lists Web Forum Interface to the Matronics Email Lists
|
| View previous topic :: View next topic |
| Author |
Message |
N43YX
Joined: 22 Feb 2021 Posts: 10 Location: Tulsa, OK
|
Posted: Mon Sep 05, 2022 5:11 am Post subject: ULPower electrical system |
|
|
I'm working on an electrical design for a Waiex-B with a UL Power 350iS. I've started with Z21 but I think it may require some modification. I'm going with a single ECU and probably the 50A alternator upgrade (the ECU and fuel pump use 15A so the stock 30A alternator wouldn't leave a ton left for my electrical loads). The installation manual linked below seems lacking on the electrical system in several respects.
1) There is no OV protection
2) There is no way---CB or switch--to disconnect the alternator
I'd like to use the B&C over voltage kit, but I doubt if that is possible with the larger alternator. At a minimum, I'd like to be able to manually disconnect the alternator.
Could someone give me some guidance and suggestions?
https://ulpower.com/content/1-engines/5-manuals/installation-checklist-v2.2.pdf
| | - The Matronics AeroElectric-List Email Forum - | | | Use the List Feature Navigator to browse the many List utilities available such as the Email Subscriptions page, Archive Search & Download, 7-Day Browse, Chat, FAQ, Photoshare, and much more:
http://www.matronics.com/Navigator?AeroElectric-List |
|
|
|
| Back to top |
|
 |
user9253
Joined: 28 Mar 2008 Posts: 1969 Location: Riley TWP Michigan
|
Posted: Mon Sep 05, 2022 11:50 am Post subject: Re: ULPower electrical system |
|
|
The UL Power electrical installation is explained in this manual:
https://ulpower.com/content/1-engines/5-manuals/installation-manual-2022-v1.5.pdf
If overvoltage protection is desired, use Z-16 as a guide. In fact, Z-16 also shows how to disconnect the alternator using a relay.
Since the UL Power engine appears to have a 3 phase alternator, I recommend using 3 automotive relays, one for each phase.
Using a 3 phase contactor is a more elegant way of controlling the alternator, but automotive relays have the advantage of low price and availability.
The UL Power manual warns that the regulator (30amp only?) will be destroyed if it is disconnected from the battery. There is no danger to the regulator if the AC is disconnected.
Best practice is to not switch the charging system on or off while the engine is running.
The 10awg wire recommended for the 68 000 μF capacitor seems big.
| | - The Matronics AeroElectric-List Email Forum - | | | Use the List Feature Navigator to browse the many List utilities available such as the Email Subscriptions page, Archive Search & Download, 7-Day Browse, Chat, FAQ, Photoshare, and much more:
http://www.matronics.com/Navigator?AeroElectric-List |
|
_________________ Joe Gores |
|
| Back to top |
|
 |
art(at)zemon.name Guest
|
Posted: Mon Sep 05, 2022 12:54 pm Post subject: ULPower electrical system |
|
|
Why are you sizing your alternator for 50A? It is more typical to size the alternator for the maximum continuous load and I really wonder whether a Waiex needs 50 amps. For example, in my airplane, the autopilot servos have a max draw of 3.4 amp but a typical draw of only 1.8. Similarly, my comm radio has a max draw of 3.0 amps but a typical draw of only 0.5 and the 10 inch EFIS screen has a max draw of 2.25 but a typical draw of only 1.2.
When I did a spreadsheet of max and typical draws for all devices, I came up with 29.28 max and 18.57 typical. You can see what I did in this overview drawing for my wiring system documentation.
-- Art Z.
On Mon, Sep 5, 2022 at 8:23 AM N43YX <awgaut(at)gmail.com (awgaut(at)gmail.com)> wrote:
| Quote: | --> AeroElectric-List message posted by: "N43YX" <awgaut(at)gmail.com (awgaut(at)gmail.com)>
I'm working on an electrical design for a Waiex-B with a UL Power 350iS. I've started with Z21 but I think it may require some modification. I'm going with a single ECU and probably the 50A alternator upgrade (the ECU and fuel pump use 15A so the stock 30A alternator wouldn't leave a ton left for my electrical loads). The installation manual linked below seems lacking on the electrical system in several respects.
1) There is no OV protection
2) There is no way---CB or switch--to disconnect the alternator
I'd like to use the B&C over voltage kit, but I doubt if that is possible with the larger alternator. At a minimum, I'd like to be able to manually disconnect the alternator.
Could someone give me some guidance and suggestions?
https://ulpower.com/content/1-engines/5-manuals/installation-checklist-v2.2.pdf
Read this topic online here:
http://forums.matronics.com/viewtopic.php?p=507828#507828
===========
-
Electric-List" rel="noreferrer" target="_blank">http://www.matronics.com/Navigator?AeroElectric-List
===========
FORUMS -
eferrer" target="_blank">http://forums.matronics.com
===========
WIKI -
errer" target="_blank">http://wiki.matronics.com
===========
b Site -
-Matt Dralle, List Admin.
="noreferrer" target="_blank">https://matronics.com/contribution
===========
|
--
My blog: CheerfulCurmudgeon.com
Wisdom is knowing what to do next. Virtue is doing it. -- David Starr Jordan
| | - The Matronics AeroElectric-List Email Forum - | | | Use the List Feature Navigator to browse the many List utilities available such as the Email Subscriptions page, Archive Search & Download, 7-Day Browse, Chat, FAQ, Photoshare, and much more:
http://www.matronics.com/Navigator?AeroElectric-List |
|
|
|
| Back to top |
|
 |
user9253
Joined: 28 Mar 2008 Posts: 1969 Location: Riley TWP Michigan
|
Posted: Mon Sep 05, 2022 3:59 pm Post subject: Re: ULPower electrical system |
|
|
My RV-12 has a 20 amp alternator. The plane uses less than 10 amps.
| | - The Matronics AeroElectric-List Email Forum - | | | Use the List Feature Navigator to browse the many List utilities available such as the Email Subscriptions page, Archive Search & Download, 7-Day Browse, Chat, FAQ, Photoshare, and much more:
http://www.matronics.com/Navigator?AeroElectric-List |
|
_________________ Joe Gores |
|
| Back to top |
|
 |
N43YX
Joined: 22 Feb 2021 Posts: 10 Location: Tulsa, OK
|
Posted: Mon Sep 05, 2022 4:14 pm Post subject: Re: ULPower electrical system |
|
|
The ULPower engine is electrically dependent. It uses ~15 A at full throttle and about 12.5 A at cruise power. So, that gets subtracted off the top. Here is my list of electrical loads (first number is maximum; parenthetical numbers are typical):
Engine 15 (13)
Battery contactor 0.8
SkyView 3.6 (2.6)
Intercom 0.1
AV-20S 0.5
iPad 0.4
Strobe lights 2
Seat Heater 10
Nav lights 0.6
Com 2 (0.2)
Xpnder 0.4
CO Monitor 0.1
ADS-B receiver 0.1
AP 3.3 (2)
Landing/taxi light 2.5
35.3 continuous
Flaps are an additional 5 A, but since it is a (very) intermittent load I didn't include them. With traditional alternators, I have read that you should plan on loading them at ~80% capacity. Not sure that this applies to PM alternators.
| | - The Matronics AeroElectric-List Email Forum - | | | Use the List Feature Navigator to browse the many List utilities available such as the Email Subscriptions page, Archive Search & Download, 7-Day Browse, Chat, FAQ, Photoshare, and much more:
http://www.matronics.com/Navigator?AeroElectric-List |
|
|
|
| Back to top |
|
 |
user9253
Joined: 28 Mar 2008 Posts: 1969 Location: Riley TWP Michigan
|
Posted: Mon Sep 05, 2022 7:01 pm Post subject: Re: ULPower electrical system |
|
|
The 10amp seat heater can be subtracted. It is not a continuous load, especially in Tulsa OK.
If the alternator can not maintain the voltage, It won't hurt to let the battery discharge for a few minutes while heating the seat.
Percentage of safe alternator load depends on its temperature. If kept cool, it can even be operated at more than 100 percent.
| | - The Matronics AeroElectric-List Email Forum - | | | Use the List Feature Navigator to browse the many List utilities available such as the Email Subscriptions page, Archive Search & Download, 7-Day Browse, Chat, FAQ, Photoshare, and much more:
http://www.matronics.com/Navigator?AeroElectric-List |
|
_________________ Joe Gores |
|
| Back to top |
|
 |
Ceengland
Joined: 11 Oct 2020 Posts: 398 Location: MS
|
Posted: Mon Sep 05, 2022 7:25 pm Post subject: ULPower electrical system |
|
|
Not a safe assumption. Some use seat heat to replace cabin heat. In those cases, load would be continuous, when it's needed.
Get BlueMail for Android
On Sep 5, 2022, at 10:04 PM, user9253 <fransew(at)gmail.com (fransew(at)gmail.com)> wrote: | Quote: | | Quote: | | --> AeroElectric-List message posted by: "user9253" <fransew(at)gmail.com>The 10amp seat heater can be subtracted. It is not a continuous load, especially in Tulsa OK.If the alternator can not maintain the voltage, It won't hurt to let the battery discharge for a few minutes while heating the seat.Percentage of safe alternator load depends on its temperature. If kept cool, it can even be operated at more than 100 percent.--------Joe GoresRead this topic online here:http://forums.matronics.com/v --> http://forums.matronics.comhttp://wiki.matronics.comhttps://matronics.com/contribution |
|
| | - The Matronics AeroElectric-List Email Forum - | | | Use the List Feature Navigator to browse the many List utilities available such as the Email Subscriptions page, Archive Search & Download, 7-Day Browse, Chat, FAQ, Photoshare, and much more:
http://www.matronics.com/Navigator?AeroElectric-List |
|
_________________ Charlie |
|
| Back to top |
|
 |
N43YX
Joined: 22 Feb 2021 Posts: 10 Location: Tulsa, OK
|
Posted: Tue Sep 06, 2022 3:03 am Post subject: Re: ULPower electrical system |
|
|
Exactly. I'm forgoing an exhaust shroud heater for a couple of different reasons and I am just using electric seat heat.
| | - The Matronics AeroElectric-List Email Forum - | | | Use the List Feature Navigator to browse the many List utilities available such as the Email Subscriptions page, Archive Search & Download, 7-Day Browse, Chat, FAQ, Photoshare, and much more:
http://www.matronics.com/Navigator?AeroElectric-List |
|
|
|
| Back to top |
|
 |
user9253
Joined: 28 Mar 2008 Posts: 1969 Location: Riley TWP Michigan
|
Posted: Tue Sep 06, 2022 7:39 am Post subject: Re: ULPower electrical system |
|
|
OK, I was wrong. Include 10 amps continuous for electric seat heat.
| | - The Matronics AeroElectric-List Email Forum - | | | Use the List Feature Navigator to browse the many List utilities available such as the Email Subscriptions page, Archive Search & Download, 7-Day Browse, Chat, FAQ, Photoshare, and much more:
http://www.matronics.com/Navigator?AeroElectric-List |
|
_________________ Joe Gores |
|
| Back to top |
|
 |
kenryan
Joined: 20 Oct 2009 Posts: 429
|
Posted: Tue Sep 06, 2022 8:04 am Post subject: ULPower electrical system |
|
|
Or consider a heated vest with its own power supply.
On Tue, Sep 6, 2022 at 7:45 AM user9253 <fransew(at)gmail.com (fransew(at)gmail.com)> wrote:
| Quote: | --> AeroElectric-List message posted by: "user9253" <fransew(at)gmail.com (fransew(at)gmail.com)>
OK, I was wrong. Include 10 continuous for electric seat heat.
--------
Joe Gores
Read this topic online here:
http://forums.matronics.com/viewtopic.php?p=507838#507838
===========
-
Electric-List" rel="noreferrer" target="_blank">http://www.matronics.com/Navigator?AeroElectric-List
===========
FORUMS -
eferrer" target="_blank">http://forums.matronics.com
===========
WIKI -
errer" target="_blank">http://wiki.matronics.com
===========
b Site -
-Matt Dralle, List Admin.
="noreferrer" target="_blank">https://matronics.com/contribution
===========
|
| | - The Matronics AeroElectric-List Email Forum - | | | Use the List Feature Navigator to browse the many List utilities available such as the Email Subscriptions page, Archive Search & Download, 7-Day Browse, Chat, FAQ, Photoshare, and much more:
http://www.matronics.com/Navigator?AeroElectric-List |
|
|
|
| Back to top |
|
 |
user9253
Joined: 28 Mar 2008 Posts: 1969 Location: Riley TWP Michigan
|
Posted: Wed Sep 07, 2022 7:29 am Post subject: Re: ULPower electrical system |
|
|
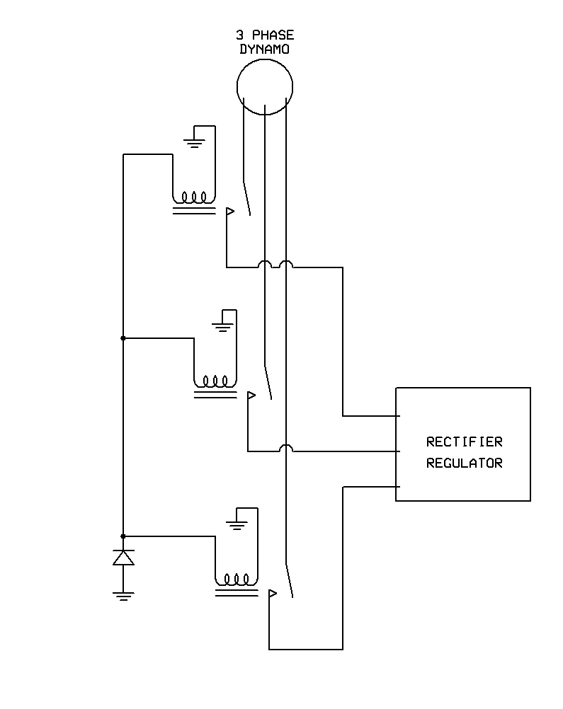
Below is a drawing showing 3 relays that can shut off the charging system right at the source.
Substitute the 3 relays for the single relay shown in Z-16. Only one flyback diode is needed for all 3 relays.
| | - The Matronics AeroElectric-List Email Forum - | | | Use the List Feature Navigator to browse the many List utilities available such as the Email Subscriptions page, Archive Search & Download, 7-Day Browse, Chat, FAQ, Photoshare, and much more:
http://www.matronics.com/Navigator?AeroElectric-List |
|
| Description: |
|
| Filesize: |
2.14 KB |
| Viewed: |
15725 Time(s) |

|
_________________ Joe Gores |
|
| Back to top |
|
 |
nuckolls.bob(at)aeroelect Guest
|
Posted: Wed Sep 07, 2022 8:46 pm Post subject: ULPower electrical system |
|
|
At 10:29 AM 9/7/2022, you wrote:
| Quote: | --> AeroElectric-List message posted by: "user9253" <fransew(at)gmail.com>
Below is a drawing showing 3 relays that can shut off the charging system right at the source.
Substitute the 3 relays for the single relay shown in Z-16. Only one flyback diode is needed for all 3 relays. |
You only need two relays to completely shut down
the 3-phase supply.
Bob . . .
Un impeachable logic: George Carlin asked, "If black boxes
survive crashes, why don't they make the whole airplane
out of that stuff?"
| | - The Matronics AeroElectric-List Email Forum - | | | Use the List Feature Navigator to browse the many List utilities available such as the Email Subscriptions page, Archive Search & Download, 7-Day Browse, Chat, FAQ, Photoshare, and much more:
http://www.matronics.com/Navigator?AeroElectric-List |
|
|
|
| Back to top |
|
 |
Eric Page
Joined: 15 Feb 2017 Posts: 274
|
Posted: Wed Sep 07, 2022 9:56 pm Post subject: Re: ULPower electrical system |
|
|
| user9253 wrote: | | The UL Power manual warns that the regulator ... will be destroyed if it is disconnected from the battery. |
| nuckolls.bob(at)aeroelect wrote: | | You only need two relays to completely shut down the 3-phase supply. |
Thinking out loud here... If the OVP sensor trips, then isn't it safe to assume that the regulator has already failed? If so, then why would we be concerned about damaging it by disconnecting it from the battery? Is there some other reason not to use a single relay to disconnect the regulator's output from the bus rather than multiple relays to disconnect the alternator's phases from the regulator?
| | - The Matronics AeroElectric-List Email Forum - | | | Use the List Feature Navigator to browse the many List utilities available such as the Email Subscriptions page, Archive Search & Download, 7-Day Browse, Chat, FAQ, Photoshare, and much more:
http://www.matronics.com/Navigator?AeroElectric-List |
|
|
|
| Back to top |
|
 |
N43YX
Joined: 22 Feb 2021 Posts: 10 Location: Tulsa, OK
|
Posted: Thu Sep 08, 2022 12:33 am Post subject: Re: ULPower electrical system |
|
|
I am aware of at least two people that wired it as you described, Eric. I guess a downside (if I am understanding correctly) of this arrangement would be that you wouldn't want to manually disconnect the alternator via the switch for fear of harming the regulator, but I can't see why you would want to do that anyway unless there was a problem. With two relays wired prior to the regulator, you would be able to shut it down manually without harming the regulator, correct?
Also, the B&C OV kit is only rated for 30 amps. I found these that are rated for 60 A. Would this work? I'm assuming they can be mounted FWF.
| | - The Matronics AeroElectric-List Email Forum - | | | Use the List Feature Navigator to browse the many List utilities available such as the Email Subscriptions page, Archive Search & Download, 7-Day Browse, Chat, FAQ, Photoshare, and much more:
http://www.matronics.com/Navigator?AeroElectric-List |
|
| Description: |
|
 Download |
| Filename: |
60A relay SPDT.pdf |
| Filesize: |
150.77 KB |
| Downloaded: |
558 Time(s) |
|
|
| Back to top |
|
 |
user9253
Joined: 28 Mar 2008 Posts: 1969 Location: Riley TWP Michigan
|
Posted: Thu Sep 08, 2022 4:22 am Post subject: Re: ULPower electrical system |
|
|
I thought about using just 2 relays. But what if the dynamo windings are
connected in "Y" with the center grounded? Or is that highly unlikely?
| | - The Matronics AeroElectric-List Email Forum - | | | Use the List Feature Navigator to browse the many List utilities available such as the Email Subscriptions page, Archive Search & Download, 7-Day Browse, Chat, FAQ, Photoshare, and much more:
http://www.matronics.com/Navigator?AeroElectric-List |
|
_________________ Joe Gores |
|
| Back to top |
|
 |
user9253
Joined: 28 Mar 2008 Posts: 1969 Location: Riley TWP Michigan
|
Posted: Thu Sep 08, 2022 4:38 am Post subject: Re: ULPower electrical system |
|
|
| Quote: | | If the OVP sensor trips, then isn't it safe to assume that the regulator has already failed? |
Could be, but Not necessarily. Depending on the the aircraft wiring, there could be resistance causing a voltage drop that
the regulator interprets as low system voltage. Thus the regulator would increase output voltage and cause an overvoltage event.
That problem can be minimized by not putting a load on the voltage sense wire. But it has happened.
| | - The Matronics AeroElectric-List Email Forum - | | | Use the List Feature Navigator to browse the many List utilities available such as the Email Subscriptions page, Archive Search & Download, 7-Day Browse, Chat, FAQ, Photoshare, and much more:
http://www.matronics.com/Navigator?AeroElectric-List |
|
_________________ Joe Gores |
|
| Back to top |
|
 |
Eric Page
Joined: 15 Feb 2017 Posts: 274
|
Posted: Thu Sep 08, 2022 6:07 am Post subject: Re: ULPower electrical system |
|
|
| N43YX wrote: | | With two relays wired prior to the regulator, you would be able to shut it down manually without harming the regulator, correct? |
It sure sounds that way.
| N43YX wrote: | | Also, the B&C OV kit is only rated for 30 amps. I found these that are rated for 60 A. Would this work? I'm assuming they can be mounted FWF. |
Yep, those would work. That sort of relay is mounted in vehicle engine bays all the time. The datasheet says they're rated up to 125°C (257°F). Be sure to order them with a mounting tab on the back.
More thinking out loud... I'll bet that a 30A relay would be more than sufficient since the alternator's 50A max output would be evenly split across the three phase wires (~17A per wire). Bob, am I out to lunch here?
| user9253 wrote: | | ...what if the dynamo windings are connected in "Y" with the center grounded? Or is that highly unlikely? |
I'll defer to Bob on this one; I don't know if there are any alternators or stators wired in wye configuration.
| | - The Matronics AeroElectric-List Email Forum - | | | Use the List Feature Navigator to browse the many List utilities available such as the Email Subscriptions page, Archive Search & Download, 7-Day Browse, Chat, FAQ, Photoshare, and much more:
http://www.matronics.com/Navigator?AeroElectric-List |
|
|
|
| Back to top |
|
 |
N43YX
Joined: 22 Feb 2021 Posts: 10 Location: Tulsa, OK
|
Posted: Thu Sep 08, 2022 6:41 am Post subject: Re: ULPower electrical system |
|
|
You guys are great! Thanks for the help.
I think I'll go with the two relays wired before the R/R, so I can have manual control of shutting off the alternator. If I could use the 30 A relays from the B&C kit, that would be even better. I'd like to hear Bob's thoughts, too, on using the B&C relays.
One more question...how would I wire TWO relays with the B&C overvoltage sensor. I have looked everywhere I can think and I can't see that documented anywhere.
| | - The Matronics AeroElectric-List Email Forum - | | | Use the List Feature Navigator to browse the many List utilities available such as the Email Subscriptions page, Archive Search & Download, 7-Day Browse, Chat, FAQ, Photoshare, and much more:
http://www.matronics.com/Navigator?AeroElectric-List |
|
|
|
| Back to top |
|
 |
nuckolls.bob(at)aeroelect Guest
|
Posted: Thu Sep 08, 2022 6:48 am Post subject: ULPower electrical system |
|
|
| Quote: | More thinking out loud... I'll bet that a 30A relay would be more than sufficient since the alternator's 50A max output would be evenly split across the three phase wires (~17A per wire). Bob, am I out to lunch here?
user9253 wrote:
> ...what if the dynamo windings are connected in "Y" with the center grounded? Or is that highly unlikely?
I'll defer to Bob on this one; I don't know if there are any alternators or stators wired in wye configuration. |
There are some legacy products being offered as
spares which are y-wound, but I'm not aware of
any modern y-wound devices. In any case, y-wound never
grounds the center. Some designs bring that
node out as a AUX terminal . . . this is the connection
that used to drive the "S" terminal on the legacy
electro-mechanical regulators.
Current production B36 and B55 alternators at
Beech still have an AUX terminal but it hasn't
be used in decades.
30A relays are plenty big . . . especially
given the fact that they're switching AC
current.
Bob . . .
Un impeachable logic: George Carlin asked, "If black boxes
survive crashes, why don't they make the whole airplane
out of that stuff?"
| | - The Matronics AeroElectric-List Email Forum - | | | Use the List Feature Navigator to browse the many List utilities available such as the Email Subscriptions page, Archive Search & Download, 7-Day Browse, Chat, FAQ, Photoshare, and much more:
http://www.matronics.com/Navigator?AeroElectric-List |
|
| Description: |
|
| Filesize: |
594.22 KB |
| Viewed: |
15619 Time(s) |

|
|
|
| Back to top |
|
 |
nuckolls.bob(at)aeroelect Guest
|
Posted: Thu Sep 08, 2022 9:26 am Post subject: ULPower electrical system |
|
|
| Quote: |
One more question...how would I wire TWO relays with the B&C overvoltage sensor. I have looked everywhere I can think and I can't see that documented anywhere.
|
See attached
Bob . . .
Un impeachable logic: George Carlin asked, "If black boxes
survive crashes, why don't they make the whole airplane
out of that stuff?"
| | - The Matronics AeroElectric-List Email Forum - | | | Use the List Feature Navigator to browse the many List utilities available such as the Email Subscriptions page, Archive Search & Download, 7-Day Browse, Chat, FAQ, Photoshare, and much more:
http://www.matronics.com/Navigator?AeroElectric-List |
|
| Description: |
|
 Download |
| Filename: |
3-Phase_PM_Alternator_Control_and_OV_Management.pdf |
| Filesize: |
66.27 KB |
| Downloaded: |
554 Time(s) |
|
|
| Back to top |
|
 |
|
|
You cannot post new topics in this forum You cannot reply to topics in this forum You cannot edit your posts in this forum You cannot delete your posts in this forum You cannot vote in polls in this forum You cannot attach files in this forum You can download files in this forum
|
Powered by phpBB © 2001, 2005 phpBB Group
|