 |
Matronics Email Lists Web Forum Interface to the Matronics Email Lists
|
| View previous topic :: View next topic |
| Author |
Message |
esco
Joined: 11 Jan 2023 Posts: 10
|
Posted: Mon May 19, 2025 1:28 pm Post subject: Power Block DIagram: RV-14A |
|
|
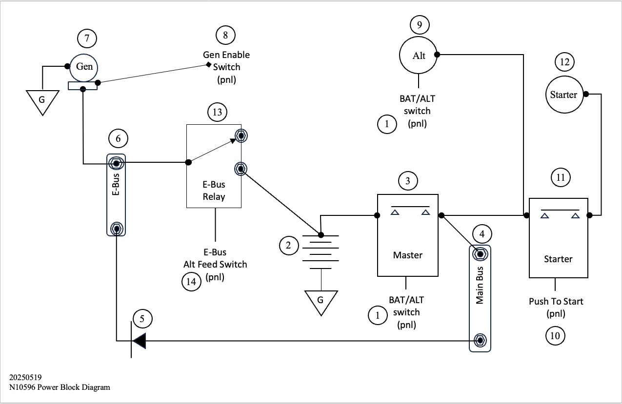
I’d appreciate a review of power architecture block diagram for an RV-14A with P-Mags, pointing out errors or omissions before I get too far down the road.
1. Mission: Day VFR cross-country is primary; IFR training & use in the future.
2. Engine: IO-390, mechanical fuel injection & fuel pump, electric aux fuel pump.
Note: Manufacturer tests P-mags to ensure they self-power at 900rpm and above. From experience, I expect lower, will test before Phase 1.
3. Power:
primary: B&C LX60 alternator, LR3D voltage regulator;
backup: Monkworkz MZ-30L (30a at 1800 rpm);
battery: ETX900 LiFePO4 15.6ah.
4. Avionics: GDU 460 display x2, GTN 650xi GPS Nav/Com, GTX 45R remote mount xpdr, GTR 20 remote mount radio, GAD 27 interface adapter, G5 backup electronic flight instrument & backup battery
5. Architecture:
Core Z101: no clearance delivery or battery bus, no brownout booster, no Aux Alt and regulator.
Added MZ-30L permanent magnet generator (relay-isolated to prevent battery drain)
Thanks to Mr. Nuckolls, this list, and many builders who shared solutions; any errors are mine.
| | - The Matronics AeroElectric-List Email Forum - | | | Use the List Feature Navigator to browse the many List utilities available such as the Email Subscriptions page, Archive Search & Download, 7-Day Browse, Chat, FAQ, Photoshare, and much more:
http://www.matronics.com/Navigator?AeroElectric-List |
|
| Description: |
|
| Filesize: |
120.37 KB |
| Viewed: |
7695 Time(s) |

|
| Description: |
|
| Filesize: |
172.24 KB |
| Viewed: |
7695 Time(s) |

|
| Description: |
|
 Download |
| Filename: |
20250519 power block diagram V0.pdf |
| Filesize: |
108.04 KB |
| Downloaded: |
535 Time(s) |
|
|
| Back to top |
|
 |
Eric Page
Joined: 15 Feb 2017 Posts: 275
|
Posted: Tue May 20, 2025 7:22 am Post subject: Re: Power Block DIagram: RV-14A |
|
|
As a conceptual diagram, it looks fine -- I see no errors in what you've done so far.
| | - The Matronics AeroElectric-List Email Forum - | | | Use the List Feature Navigator to browse the many List utilities available such as the Email Subscriptions page, Archive Search & Download, 7-Day Browse, Chat, FAQ, Photoshare, and much more:
http://www.matronics.com/Navigator?AeroElectric-List |
|
|
|
| Back to top |
|
 |
esco
Joined: 11 Jan 2023 Posts: 10
|
Posted: Tue May 20, 2025 8:09 am Post subject: Re: Power Block DIagram: RV-14A |
|
|
Eric: thanks. On to filling in the details.
| | - The Matronics AeroElectric-List Email Forum - | | | Use the List Feature Navigator to browse the many List utilities available such as the Email Subscriptions page, Archive Search & Download, 7-Day Browse, Chat, FAQ, Photoshare, and much more:
http://www.matronics.com/Navigator?AeroElectric-List |
|
|
|
| Back to top |
|
 |
|
|
You cannot post new topics in this forum You cannot reply to topics in this forum You cannot edit your posts in this forum You cannot delete your posts in this forum You cannot vote in polls in this forum You cannot attach files in this forum You can download files in this forum
|
Powered by phpBB © 2001, 2005 phpBB Group
|