 |
Matronics Email Lists Web Forum Interface to the Matronics Email Lists
|
| View previous topic :: View next topic |
| Author |
Message |
msm_9949(at)yahoo.com Guest
|
Posted: Tue Dec 12, 2006 8:33 am Post subject: Advice on fuel system upgrades |
|
|
Listers:
I've just ordered a HacMan unit from Greensky Adventures and a Facet fuel pump from ACS (as back-up to Mikuni pump). Does anyone have advice on installation, operation of these units in context of Rotax 582-90 fuel system?
A plumbing diagram for the Facet as a back-up would be really useful. Thanks in advance.
Marco Menezes
Model 2 582 N99KX
Have a burning question? Go to Yahoo! Answers and get answers from real people who know. [quote][b]
| | - The Matronics Kitfox-List Email Forum - | | | Use the List Feature Navigator to browse the many List utilities available such as the Email Subscriptions page, Archive Search & Download, 7-Day Browse, Chat, FAQ, Photoshare, and much more:
http://www.matronics.com/Navigator?Kitfox-List |
|
|
|
| Back to top |
|
 |
Guy Buchanan

Joined: 16 Jul 2006 Posts: 1204 Location: Ramona, CA
|
Posted: Tue Dec 12, 2006 10:06 am Post subject: Advice on fuel system upgrades |
|
|
At 08:32 AM 12/12/2006, you wrote:
| Quote: | I've just ordered a HacMan unit from Greensky Adventures and a Facet fuel
pump from ACS (as back-up to Mikuni pump). Does anyone have advice on
installation, operation of these units in context of Rotax 582-90 fuel system?
|
I can't help you with the Facet pump, but I use the HACman and like it. I
installed it per the instructions with few modifications and it works well.
I exchanged their awful black tube wrapping for a plastic braided sock that
looked a lot nicer. I also used an EPM.AV firewall fitting with a long
piece of fire-sleeve on the firewall side to help preclude an engine fire
entering the cabin after melting the vent tubing.
The only thing I can add that's not in the instructions is that when I'm
flying I typically go full rich before any significant descent. I then
descend at the angle I want and set the RPM's for 5800. I vary the angle of
descent and RPM to get an EGT of 1200. If I get too steep, the EGT gets too
high, even at 5800 RPM, (over-driving the engine,) so I pull it up, (slow
down,) until the EGT's get back below 1200. (My EIS gives me a warning at
1200 so the EGT's never get over about 1210F.) If I want to descend steeper
I drop the RPM way down. (You have to watch the cold seizure then.)
Guy Buchanan
K-IV 1200 / 582-C / Warp / 100% done, thanks mostly to Bob Ducar.
| | - The Matronics Kitfox-List Email Forum - | | | Use the List Feature Navigator to browse the many List utilities available such as the Email Subscriptions page, Archive Search & Download, 7-Day Browse, Chat, FAQ, Photoshare, and much more:
http://www.matronics.com/Navigator?Kitfox-List |
|
_________________ Guy Buchanan
Deceased K-IV 1200
A glider pilot too. |
|
| Back to top |
|
 |
dosmythe(at)cox.net Guest
|
Posted: Tue Dec 12, 2006 4:34 pm Post subject: Advice on fuel system upgrades |
|
|
We had a discussion long time ago about the Facet Backup on a 582. About the only thing that can go wrong with the standard Rotax pulse pump is 1. The pulse line ruptures causing the pump to become inoperative. 2. The internal diagram of the pump ruptures causing the pump to stop pumping. In the case of #2, if you turn on the backup Facet, the fuel will be pumped into the Rotax pump and then through the ruptured diaphragm and into the crankcase. In this case, a backup will do you no good what-so-ever. In the case of #1, if you turn on the backup, the fuel will also be pumped out the ruptured pulse line and all over the engine. Still not good. Are there any new opinions on this possible situation?
Don Smythe
[quote] ---
| | - The Matronics Kitfox-List Email Forum - | | | Use the List Feature Navigator to browse the many List utilities available such as the Email Subscriptions page, Archive Search & Download, 7-Day Browse, Chat, FAQ, Photoshare, and much more:
http://www.matronics.com/Navigator?Kitfox-List |
|
|
|
| Back to top |
|
 |
Float Flyr

Joined: 19 Jul 2006 Posts: 2704 Location: Campbellton, Newfoundland
|
Posted: Tue Dec 12, 2006 6:11 pm Post subject: Advice on fuel system upgrades |
|
|
One way valves ( out) on both pumps and then plumb them in parallel. Takes care of all the problems you stated.
Noel [quote]
--
| | - The Matronics Kitfox-List Email Forum - | | | Use the List Feature Navigator to browse the many List utilities available such as the Email Subscriptions page, Archive Search & Download, 7-Day Browse, Chat, FAQ, Photoshare, and much more:
http://www.matronics.com/Navigator?Kitfox-List |
|
_________________ Noel Loveys
Kitfox III-A
Aerocet 1100 Floats |
|
| Back to top |
|
 |
eskflyer(at)lvcisp.com Guest
|
Posted: Tue Dec 12, 2006 6:22 pm Post subject: Advice on fuel system upgrades |
|
|
Don
I totally agree with you on the fuel pump , and the problems it can cause. I rebuild my mikuni pump every 2 years and have never had a problem . it only cost $ 11 . to rebuild . Also replace the pulse line . Would be easy to this even every year at condition inspection time . takes little time and would really be worth the trouble .
Just my humble opinion
John Perry
[quote][b]
| | - The Matronics Kitfox-List Email Forum - | | | Use the List Feature Navigator to browse the many List utilities available such as the Email Subscriptions page, Archive Search & Download, 7-Day Browse, Chat, FAQ, Photoshare, and much more:
http://www.matronics.com/Navigator?Kitfox-List |
|
|
|
| Back to top |
|
 |
dosmythe(at)cox.net Guest
|
Posted: Wed Dec 13, 2006 4:58 am Post subject: Advice on fuel system upgrades |
|
|
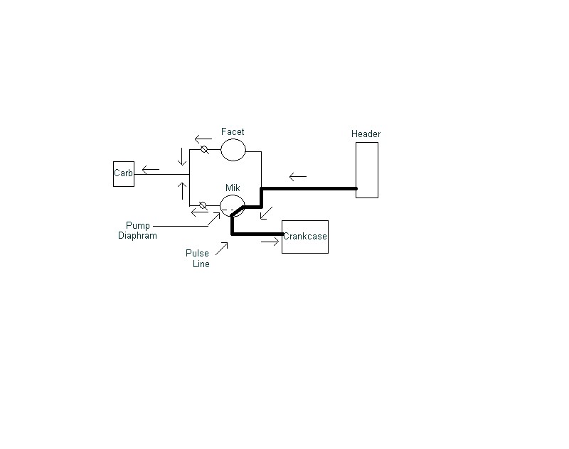
See drawing if this is what you are saying about check valves on each pump. This might help in the case of a ruptured pulse line but would not do you any good with a ruptured diaphragm in the Mik pump. Follow the dark fuel line from the header to the crankcase. Raw fuel will pass straight to the crankcase with a ruptured Mik. You would have to isolate the input to the Mik but would probably be too late after discovery.
Don Smythe
[quote] ---
| | - The Matronics Kitfox-List Email Forum - | | | Use the List Feature Navigator to browse the many List utilities available such as the Email Subscriptions page, Archive Search & Download, 7-Day Browse, Chat, FAQ, Photoshare, and much more:
http://www.matronics.com/Navigator?Kitfox-List |
|
| Description: |
|
| Filesize: |
20.94 KB |
| Viewed: |
289 Time(s) |

|
|
|
| Back to top |
|
 |
Guy Buchanan

Joined: 16 Jul 2006 Posts: 1204 Location: Ramona, CA
|
Posted: Wed Dec 13, 2006 8:11 am Post subject: Advice on fuel system upgrades |
|
|
At 04:33 PM 12/12/2006, you wrote:
| Quote: | Still not good. Are there any new opinions on this possible situation?
|
I had a friend at the airport once claim that he had repeatedly suffered
vapor lock in his fuel system in a 582 K-IV. He installed a Facet in series
to cure it. His was the only occurrence of 582 vapor lock I could find.
I'm torn on the question of single-failure-tolerance. The only thing in a
typical 582 installation that's single failure tolerant is the ignition
system, and even that relies on a "single" stator for excitation. You could
call the carbs and cylinders redundant, but you're not going to get very
far on one cylinder. Everything else: gearbox, crank, bearings, rotary
valve, cooling, oil injection, exhaust, charging, and finally fuel pump, is
catastrophic. Realistically, if you demand single-failure-tolerance you
have to fly behind a well designed twin. Otherwise you are relying on
component and system reliability. We foolish pilots typically only demand
redundancy for components that have a history of failing. The Mikuni pump
appears to have a failure rate at least as good as the rest of the 582,
which I grant you isn't saying much.
I guess the ideal replacement might be to get rid of the Mikuni and go to
dual Facet's in series. Unfortunately that adds so much system complexity
over the Mikuni that I hesitate to declare it significantly better. (Four
connections, two check valves, two pumps, two electrical supplies, two
switches, electrical requirement, two fuses, probably a fuel pressure gauge
with all the attendant plumbing, manual operation including the possibility
of flooding or forgetting to turn one on. You get the idea.) I decided that
I would meticulously over-maintain the Mikuni and rely on its simplicity
and autonomy for reliability.
Guy Buchanan
K-IV 1200 / 582-C / Warp / 100% done, thanks mostly to Bob Ducar.
| | - The Matronics Kitfox-List Email Forum - | | | Use the List Feature Navigator to browse the many List utilities available such as the Email Subscriptions page, Archive Search & Download, 7-Day Browse, Chat, FAQ, Photoshare, and much more:
http://www.matronics.com/Navigator?Kitfox-List |
|
_________________ Guy Buchanan
Deceased K-IV 1200
A glider pilot too. |
|
| Back to top |
|
 |
msm_9949(at)yahoo.com Guest
|
Posted: Wed Dec 13, 2006 11:25 am Post subject: Advice on fuel system upgrades |
|
|
My bad Don. I checked the archives after posting my question. That discussion ended pretty much as it began, i.e., with different opinions on parallel backup vs series backup vs no backup at all. For me, the most relevant conclusion was that the Mikuni pump is probably the most reliable item forward of the firewall so why back it up? Just check it frequently and rebuild it annually. So I'm sending the Facet back, trading it for a Mikuni rebuild kit.
do not archive
Don Smythe <dosmythe(at)cox.net> wrote:
[quote] We had a discussion long time ago about the Facet Backup on a 582. About the only thing that can go wrong with the standard Rotax pulse pump is 1. The pulse line ruptures causing the pump to become inoperative. 2. The internal diagram of the pump ruptures causing the pump to stop pumping. In the case of #2, if you turn on the backup Facet, the fuel will be pumped into the Rotax pump and then through the ruptured diaphragm and into the crankcase. In this case, a backup will do you no good what-so-ever. In the case of #1, if you turn on the backup, the fuel will also be pumped out the ruptured pulse line and all over the engine. Still not good. Are there any new opinions on this possible situation?
Don Smythe
[quote] ---
| | - The Matronics Kitfox-List Email Forum - | | | Use the List Feature Navigator to browse the many List utilities available such as the Email Subscriptions page, Archive Search & Download, 7-Day Browse, Chat, FAQ, Photoshare, and much more:
http://www.matronics.com/Navigator?Kitfox-List |
|
|
|
| Back to top |
|
 |
dosmythe(at)cox.net Guest
|
Posted: Wed Dec 13, 2006 12:19 pm Post subject: Advice on fuel system upgrades |
|
|
Guy,
See below
---
| | - The Matronics Kitfox-List Email Forum - | | | Use the List Feature Navigator to browse the many List utilities available such as the Email Subscriptions page, Archive Search & Download, 7-Day Browse, Chat, FAQ, Photoshare, and much more:
http://www.matronics.com/Navigator?Kitfox-List |
|
|
|
| Back to top |
|
 |
dosmythe(at)cox.net Guest
|
Posted: Wed Dec 13, 2006 12:24 pm Post subject: Advice on fuel system upgrades |
|
|
Sounds like a fair conclusion to me. The only thing I would question is rebuilding the pump. For some reason and I don't know why, several Rotax articles I've read have suggested replacing with a new pump over rebuilding??? They are after all, fairly inexpensive.
Don Smythe
[quote] ---
| | - The Matronics Kitfox-List Email Forum - | | | Use the List Feature Navigator to browse the many List utilities available such as the Email Subscriptions page, Archive Search & Download, 7-Day Browse, Chat, FAQ, Photoshare, and much more:
http://www.matronics.com/Navigator?Kitfox-List |
|
|
|
| Back to top |
|
 |
Float Flyr

Joined: 19 Jul 2006 Posts: 2704 Location: Campbellton, Newfoundland
|
Posted: Thu Dec 14, 2006 5:46 am Post subject: Advice on fuel system upgrades |
|
|
Once it's drawn up it is very easy to see the diaphragm leak you talk about. My experience is mostly with the diaphragm pumps on snowmobiles and on the older Tillitson carbs. I have seen some diaphragm perforations. What I have seen is basically the engine shuts down so there is very little fuel overflow into the crank case. I suspect that with a second fuel pump the amount of fuel leaking into the crank case will increase with the engine still running.
Two electric fuel pumps is no better.... A problem with the electrical buss could immediately shut down the engine.
Noel [quote]
--
| | - The Matronics Kitfox-List Email Forum - | | | Use the List Feature Navigator to browse the many List utilities available such as the Email Subscriptions page, Archive Search & Download, 7-Day Browse, Chat, FAQ, Photoshare, and much more:
http://www.matronics.com/Navigator?Kitfox-List |
|
_________________ Noel Loveys
Kitfox III-A
Aerocet 1100 Floats |
|
| Back to top |
|
 |
|
|
You cannot post new topics in this forum You cannot reply to topics in this forum You cannot edit your posts in this forum You cannot delete your posts in this forum You cannot vote in polls in this forum You cannot attach files in this forum You can download files in this forum
|
Powered by phpBB © 2001, 2005 phpBB Group
|